Broadcom AELT-8000 Line Driver Eval Boards

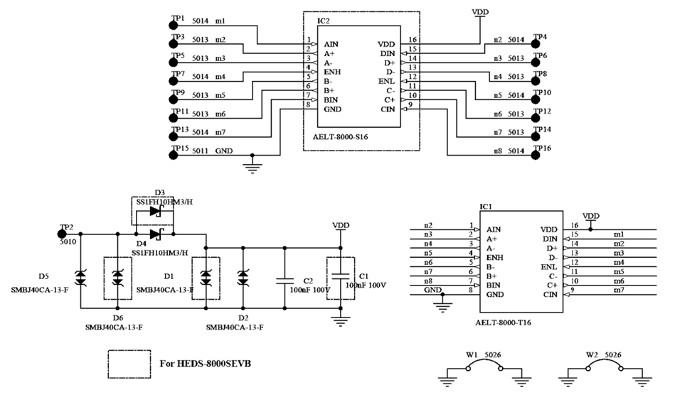
Broadcom AELT-8000 Line Driver Eval Boards allow users to evaluate the performance and features of the AELT-8000 line driver IC. Each test point is connected to the IC’s pins, and each evaluation board is prepopulated with a capacitor (which functions as a decoupling capacitor) and diodes (for reverse voltage protection and voltage clamping).

The Broadcom HEDS-8000SEVB is mounted with the AELT-8000-S16 (SOIC-16) IC component. The HEDS-8000TEVB is mounted with the AELT-8000-T16 (TSSOP-16) IC component.

Features

  • Operating frequency up to 5MHz
  • 4.5V to 36V driver supply range
  • Pin compatible to 26xx31, xx7272
  • Short-circuit-proof tri-state outputs
  • 80ns (typical) low propagation delay
  • High-impedance CMOS-compatible and TTL-compatible buffered inputs with hysteresis
  • -40°C to 125°C operating temperature range
  • Over-temperature protection circuit
  • Under-voltage monitoring

Applications

  • Line driver for 5V to 36V control systems
  • Rotary and linear encoder interfacing
  • Industrial controls
  • Sensor systems

Board Dimensions mm

Mechanical Drawing - Broadcom AELT-8000 Line Driver Eval Boards

Schematic

Schematic - Broadcom AELT-8000 Line Driver Eval Boards

Layout

Broadcom AELT-8000 Line Driver Eval Boards
Inilathala: 2025-03-11 | Na-update: 2025-03-17