Semtech RClamp/μClamp TVS Diodes
Semtech RClamp/μClamp TVS Diodes feature a solid-state silicon-avalanche technology and low leakage current. These diodes give the designer flexibility to protect single lines in applications where arrays are impractical. The TVS diodes offer fast response time, low operating and clamping voltage, and 7.5A to 20A peak pulse current. The TVS diodes can be stored at -55°C to 150°C temperature range and come in a DFN 1.0 x 0.6 x 0.55mm 2-lead package. These TVS diodes are ideally used in industrial equipment, portable instrumentation, and notebook computers.Features
- Solid-state silicon-avalanche technology
- Low leakage current
- Low ESD clamping voltage
- Lead free and halogen free
- RoHS compliant
Applications
- Keypads, side keys, and audio port
- Industrial equipment
- Portable instrumentation
- Notebook computers
- Cellular handsets and accessories
Specifications
- 7.5A to 20A peak pulse current
- DFN 1mm x 0.6mm x 0.55mm 2-lead package
- -40°C to +120°C operating temperature range
- -55°C to +150°C storage temperature range
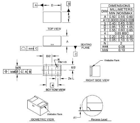
Outline Drawing
Videos
Inilathala: 2023-10-25
| Na-update: 2024-07-11
