Skyworks Solutions Inc. SKY660x-11-EVB Evaluation Boards
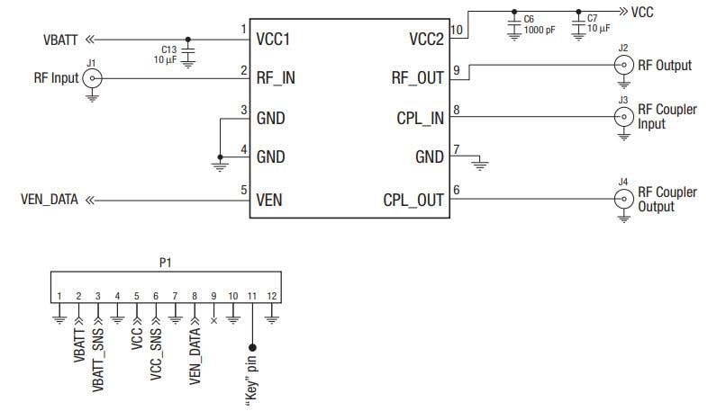
Skyworks Solutions Inc. SKY660x-11-EVB Evaluation Boards are designed to test the performance of the SKY660x-11 power amplifier modules. The SKY660x-11 linear power amplifiers are fully-matched surface mount modules developed for WCDMA applications. These linear power amplifiers meet WCDMA femtocell applications' stringent spectral linearity requirements with high power-added efficiency.Schematic
Inilathala: 2018-07-06
| Na-update: 2022-10-02
