STMicroelectronics A6985F Synchronous Step-Down Switching Regulators

STMicroelectronics A6985F Synchronous Step-Down Switching Regulators are automotive-grade devices that deliver up to 0.5A DC. The A6985F features a low consumption mode, low noise mode and has adjustable output voltages from 0.85V to VIN. The regulators are AEC-Q100 qualified with 100% duty cycle capabilities and wide input voltage ranges for cold crank and load dump specifications. Typical applications include battery-powered applications, car body applications, and designed for automotive systems.

Features

  • AECQ-100 qualification
  • 0.5A DC output current
  • 4V to 38V operating input voltage
  • Low consumption mode or low noise mode
  • 30μA IQ at light-load (LCM VOUT = 3.3V)
  • 8μA IQ-SHTDWN
  • Output voltages:
    • 3.3V and 5V fixed
    • Adjustable from 0.85V to VIN
  • Adjustable fSW (250kHz-2MHz)
  • Embedded output voltage supervisor
  • Synchronization
  • Adjustable soft-start time
  • Internal current limiting
  • Overvoltage protection
  • Output voltage sequencing
  • Peak current mode architecture
  • RDSON HS = 360mΩ, RDSON LS = 150mΩ
  • Thermal shutdown

Applications

  • Designed for automotive systems
  • Battery powered applications
  • Car body applications (LCM)
  • Car audio and low noise applications (LNM)

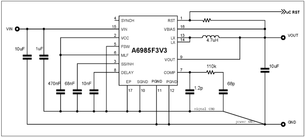
Application Circuit

Application Circuit Diagram - STMicroelectronics A6985F Synchronous Step-Down Switching Regulators
Inilathala: 2016-03-02 | Na-update: 2022-03-11