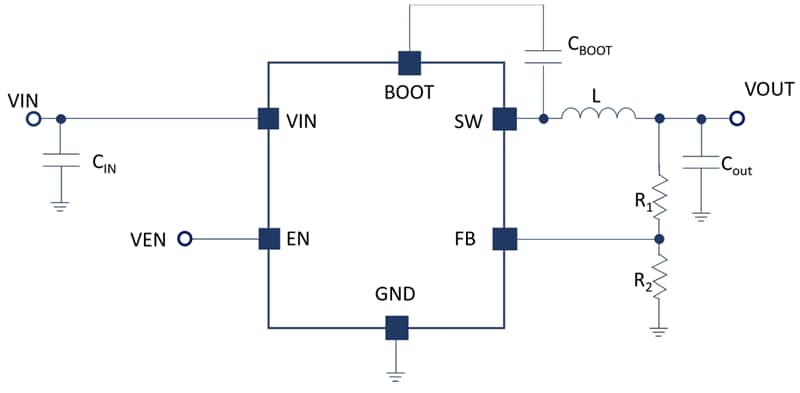
STMicroelectronics DCP3601 Synchronous Buck Converters
STMicroelectronics DCP3601 Synchronous Buck Converters can drive up to 1A load current. STMicroelectronics DCP3601 converters have an extended input range from 3.3V to 36V, making the device suitable for a wide range of industrial applications. The DCP3601 operates at a 1MHz fixed switching frequency allowing the use of small inductors for an optimized solution size. Optional switching frequency dithering is implemented to improve EMI performances. It is based on a peak current mode architecture, including a soft-start circuit, overcurrent protection circuit, overtemperature protection, and output overvoltage protection. The STMicroelectronics DCP3601 Synchronous Buck Converters are in a SOT23-6L package.Features
- 88% typical efficiency at 600mA load (VIN = 24V, VOUT = 5V)
- 91% typical efficiency at 600mA load (VIN = 12V, VOUT = 5V)
- 3.3V to 36V input operating voltage range
- Up to 1A output current capability
- 110μA input quiescent current
- 1MHz fixed switching frequency
- Synchronous rectification
- Internal compensation network
- Peak current mode control
- Two different versions: LCM for high efficiency at light loads and LNM for noise-sensitive applications
- Output overvoltage protection
- Thermal shutdown
- Precision enable
- Switching frequency dithering
- SOT23-6L package
Applications
- Major appliances
- Smart metering
- Industrial 24V bus conversion
Typical Application Schematic
Videos
Inilathala: 2025-01-21
| Na-update: 2026-03-17
