STMicroelectronics STDRIVE101 Triple Half-Bridge Gate Driver
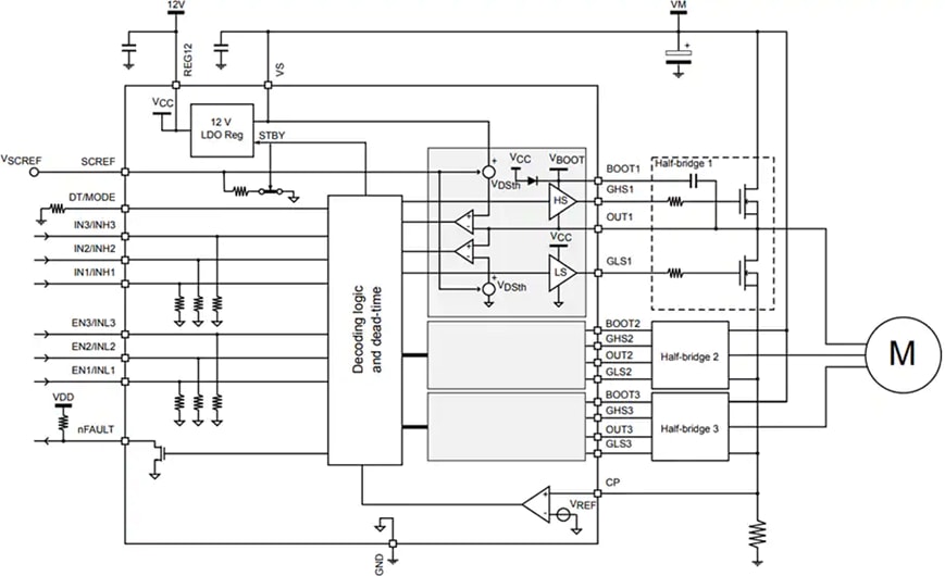
STMicroelectronics STDRIVE101 Triple Half-Bridge Gate Drivers are low-voltage gate drivers suitable for driving three-phase brushless motors. These single chips with three half-bridge gate drivers for N-channel power MOSFETs offer a 600mA current capability (sink/source) for each driver. The integrated low-drop linear regulator generates the supply voltage for both low-side and high-side gate drivers through bootstrap circuitry. The devices provide undervoltage lockout (UVLO) on the low- and high-side sections to keep the power switches from operating in low-efficiency or dangerous conditions. STMicroelectronics STDRIVE101 Triple Half-Bridge Gate Drivers are available in a VFQFPN24 package, with a -40°C to +125°C operating temperature range.Features
- Wide 5.5V to 75V operating voltage
- 600mA sink/source current capability
- 3.3V and 5V control logic
- Input strategies
- ENx/INx with adjustable deadtime generation
- INHx/INLx with interlocking
- Matched propagation delay for all channels
- Short 40ns propagation delay
- Integrated bootstrap diodes
- 12V LDO linear regulator (50mA maximum)
- Embedded VDS monitor for each external MOSFET
- Overcurrent comparator
- UVLO and thermal shutdown protection
- Standby mode for low current consumption operation
- -40°C to +125°C operating temperature range
- 4mm x 4mm VFQFPN24 package
Applications
- Home automation
- Appliances
- E-bikes
- Power tools
- Fans and pumps
- Industrial automation
- Textile machines
- Gaming and consoles
Videos
Block Diagram
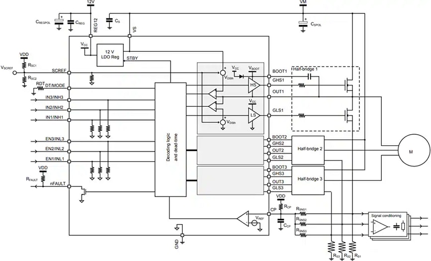
Typical Application Circuit
Inilathala: 2020-11-13
| Na-update: 2024-12-30
