STMicroelectronics STEVAL-MKI202V1K Temperature Probe Kit
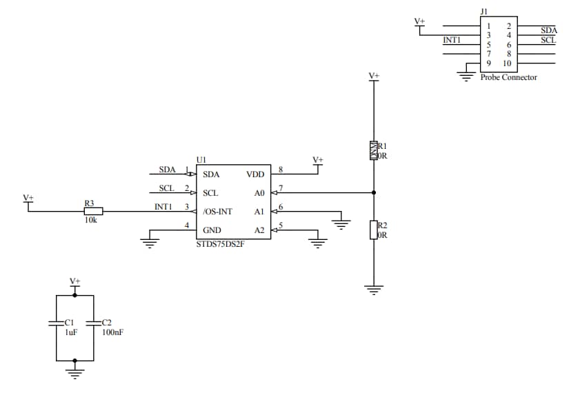
STMicroelectronics STEVAL-MKI202V1K Temperature Probe Kit includes a probe with an STDS75 temperature sensor connected via a flat cable to the STEVAL-MKIGIBV1 adapter board. The board can interface with the STEVAL-MKI109V3. The device can be mounted on a very thin probe due to its small package dimensions. This allows the device to take temperature readings that are not influenced by heat from other electronic components or boards.Features
- User-friendly STDS75 board
- Complete STDS75 pinout for a standard DIL 24 socket
- Fully compatible with STEVAL-MKI109V3 motherboards
- RoHS compliant
- WEEE compliant
Schematic
Inilathala: 2019-04-09
| Na-update: 2024-02-16
