STMicroelectronics STEVAL-MKI221V1 Adapter Board
STMicroelectronics STEVAL-MKI221V1 Adapter Board facilitates the evaluation of the LSM6DSO32X product family. The LSM6DSO32X iNEMO Inertial Module is a 3D digital accelerometer and 3D digital gyroscope system-in-package (SIP) with a digital I2C, SPI, and MIPI I3CSM serial interface standard output, performing at 0.55mA in combo High-Performance mode.The STM STEVAL-MKI221V1 Adapter Board plugs into a standard DIL 24 socket. The adapter offers the complete LSM6DSO32X pin-out and comes ready to use with the required decoupling capacitors on the VDD power supply line. Additionally, the adapter is supported by the STEVAL-MKI109V3 motherboard. Included is a high-performance 32-bit microcontroller, functioning as a bridge between the sensor and a PC.
The STEVAL-MKI221V1 Adapter Board plugs into the X-NUCLEO-IKS01A2, X-NUCLEOIKS01A3, and X-NUCLEO-IKS02A1 expansion boards. The board provides an effective solution for fast system prototyping and device evaluation directly within the user’s application.
Features
- Complete LSM6DSO32X pin-out for a standard DIL 24 socket
- Fully compatible with STEVAL-MKI109V3 motherboard
- Compatible with STEVAL-MKI109V2 by changing resistor settings
- RoHS compliant
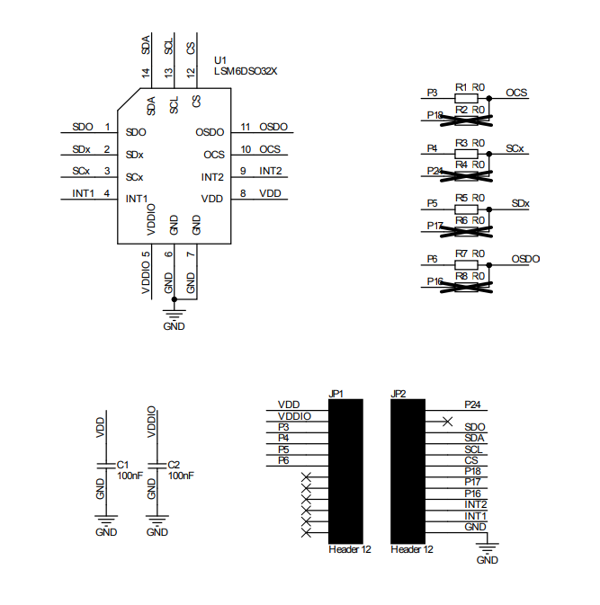
Circuit Schematic
Inilathala: 2021-05-03
| Na-update: 2022-03-11
