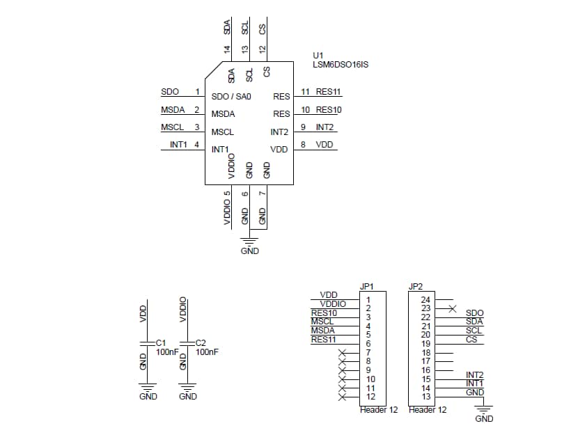
The STM STEVAL-MKI229A adapter board plugs into a standard DIL24 socket. The adapter offers the complete LSM6DSO16IS pin-out and is ready to use with the required decoupling capacitors on the VDD power supply line.
The STEVAL-MKI109V3 motherboard supports the adapter and includes a high-performance 32-bit microcontroller. The MCU functions as a bridge between the sensor and the PC. This makes it possible to use a downloadable graphical user interface (Unico-GUI) or dedicated software routines for customized applications.
The STEVAL-MKI229A adapter board can also be plugged into the X-NUCLEO-IKS01A2, X-NUCLEO-IKS01A3, and X-NUCLEO-IKS02A1 expansion boards.
Features
- Complete LSM6DSO16IS pin-out for a standard DIL24 socket
- Fully compatible with the STEVAL-MKI109V3 motherboard
- RoHS compliant
Circuit Schematic
Inilathala: 2023-02-03
| Na-update: 2023-02-07

