STMicroelectronics STEVAL-SCR002V1 Inrush Current Limiter
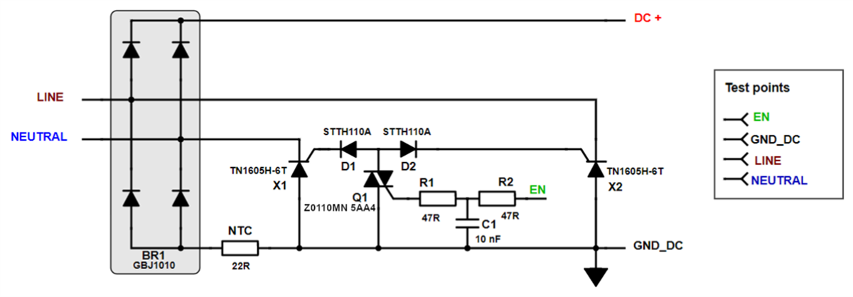
STMicroelectronics STEVAL-SCR002V1 Inrush Current Limiter is a simple and innovative AC-DC front-end circuit. The circuit allows the designer to perform an inrush current limitation in any converter with input rectifier bridge topologies. The STEVAL-SCR002V1 is based on a discrete control circuit made of one Z0110MN SMD triac and two STTH110A diodes. It offers a compact and non-insulated high voltage driver for the mains SCR.Features
- Two TN1605H-6T 16A - 600V Hi Tj SCRs in a TO-220 package, used to bypass the inrush resistor
- Compact solution: 43.6mm x 28.5mm (≈ 1.8 sq in)
- Compatible with AC-DC converters with or without PFC in all modes: CCM, CRM, and DCM
- Enable signal (EN = 3.3V to 15V) versus GND_DC (DC or PWM signal)
- Suitable for applications from 50 W up to 1000 W (230VRMS, TAMB = 60°C)
- Compliant with AC or DC input voltage: 90-265VAC, 50/60Hz, or 120-400VDC
- Robust, immune (2kV IEC 61000-4-5, 4kV IEC 61000-4-4)
- Low EMI noise (EN55014 and EN55022) solution
Circuit Schematic
Videos
Inilathala: 2022-07-21
| Na-update: 2023-09-11
