STMicroelectronics STGIPQ4C60T-HZ SLLIMM nano IGBTs
STMicroelectronics STGIPQ4C60T-HZ SLLIMM nano IGBTs provide a compact, high-performance AC motor drive in a simple, rugged design. The STGIPQ4C60T-HZ IGBTs are composed of six improved short-circuit rugged trench gate field stop IGBTs with freewheeling diodes and three half-bridge HVICs for gate driving. This provides low electromagnetic interference (EMI) characteristics with optimized switching speed.The STM STGIPQ4C60T-HZ SLLIMM nano IGBTs package is designed to allow a better and more easily screwed-on heat sink and optimize thermal performance and compactness in built-in motor applications or other low power applications where assembly space is limited. The IPM includes a completely neutral operational amplifier and a comparator that can be used to design a fast and efficient protection circuit.
Features
- IPM 6A, 600V, 3-phase IGBT inverter bridge including 3 control ICs for gate driving and freewheeling diodes
- 3.3V, 5V, 15V TTL/CMOS input comparators with hysteresis and pull-down/pull-up resistors
- Internal bootstrap diode
- Optimized for low electromagnetic interference
- Undervoltage lockout
- Short-circuit rugged TFS IGBT
- Shutdown function
- Interlocking function
- Op-amp for advanced current sensing
- Comparator for fault protection against overcurrent
- Isolation ratings of 1500Vrms/min
- NTC (UL 1434 CA 2 and 4)
- Up to ±2kV ESD protection (HBM C = 100pF, R = 1.5kΩ)
- UL recognition: UL 1557, file E81734
Applications
- 3-phase inverters for motor drives
- Dish washers
- Washing machines
- Refrigerator compressors
- Fans
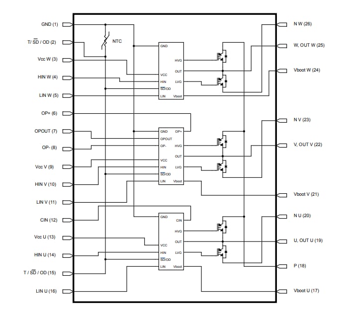
Internal schematic diagram
Inilathala: 2021-03-08
| Na-update: 2022-03-11
