STMicroelectronics TSB7191/A & TSB7192/A 22MHz Operational Amplifiers
STMicroelectronics TSB7191/A and TSB7192/A 22MHz Operational Amplifiers (Op Amps) feature rail-to-rail input and output guaranteed to operate from a +2.7V to +36.0V single supply and from ±1.35V to ±18.0V dual supplies. These Op Amps have the advantage of offering a large span of supply voltage and an excellent input offset voltage of 300µV maximum at +25°C. The combination of wide bandwidth, slew rate, low noise, rail-to-rail capability, and high precision makes the TSB7191/A and TSB7192/A Op Amps useful in a wide variety of applications, including filters, power supplies/motor control, actuator driving, hall effect sensors, and resistive transducers.Features
- Rail-to-rail input and output
- Low 300µV (maximum) offset voltage
- Wide 2.7V to 36.0V supply voltage range
- 22MHz gain-bandwidth product
- 12V/µs slew rate
- Low 12nV/√Hz SNR
- Stable with +10/-9 gain
- Integrated EMI filter
- 2kV HBM ESD tolerance
- Extended -40°C to +125°C temperature range
- Automotive-grade variants available
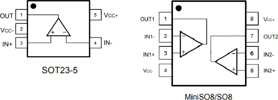
- Package options
- SO8
- MiniS08
- SOT23-5
Applications
- High- and low-side current sensing
- Hall effect sensors
- Data acquisition and instrumentation
- Test and measurement equipment
- Motor control
- Industrial process control
- Strain gauges
Packages & Pinouts
Inilathala: 2020-06-10
| Na-update: 2025-01-10
