STMicroelectronics TSX3702 CMOS Voltage Comparators
STMicroelectronics TSX3702 CMOS Voltage Comparators are micropower CMOS dual-voltage comparators which exhibit a very low current consumption of 5μA typical per comparator. The TSX3702 is fully specified over a wide temperature range and is recommended for automotive grade for the SO8 package. The TSX3702 is fully compatible with the TS3702 CMOS comparator and is available with similar packages. The TSX3702 CMOS Voltage Comparators are also available in the tiny MiniSO8 and DFN8 packages, ideal for space-constrained applications.Features
- Low supply current: 5μA typ. per comparator
- Wide single supply range 2.7V to 16V or dual supplies (±1.35V to ±8V)
- Extremely low input bias current: 1pA typ.
- Input common-mode voltage range includes ground
- Push-pull output
- High input impedance: 1012Ω typ
- Fast response time: 2.7μs typ. for 5mV overdrive
- ESD tolerance: 4kV HBM, 200V MM
- Related products
- Pin-to-pin and functionally compatible with the dual CMOS TS3702 comparators
- See the TSX393 for open drain output
Applications
- Automotive
- Industrial
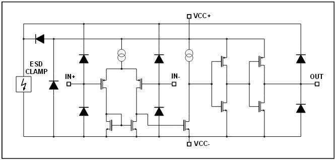
Schematic Diagram
Inilathala: 2014-12-15
| Na-update: 2022-03-21
