STMicroelectronics VN7007ALHTR High-Side Driver
STMicroelectronics VN7007ALHTR High-Side Driver is a single channel driver with CurrentSense analog feedback. This VN7007ALHTR high-side driver is designed to drive 12V automotive grounded loads through a 3V and 5V CMOS-compatible interface. The VN7007ALHTR high-side driver offers diagnostic functions like overload and short to the ground indication, thermal shutdown indication, OFF-state open-load detection, and sense enable/disable. This VN7007ALHTR driver integrates advanced protective functions such as load current limitation, overload active management by power limitation, and overtemperature shutdown. The STMicroelectronics VN7007ALHTR High-Side Driver is manufactured with ST proprietary VIPower® technology and housed in the octapak package. Typical applications include automotive smart power distribution, high-power resistive and inductive actuators, glow plugs, heating systems, DC motors, and relay replacement.Features
- General:
- Single channel smart high-side driver
- CurrentSense analog feedback
- Compatible with 3V and 5V CMOS outputs
- Diagnostic functions:
- Overload and short to the ground indication
- Thermal shutdown indication
- OFF-state open-load detection
- Output short to VCC detection
- Sense enable/disable
- Protections:
- Undervoltage shutdown
- Overvoltage clamp
- Load current limitation
- Self-limiting of fast thermal transients
- Loss of ground and loss of VCC
- Configurable latch-off on overtemperature or power limitation
- Reverse battery
- Electrostatic discharge protection
Applications
- Automotive smart power distribution
- Glow plugs
- Heating systems
- DC motors
- Relay replacement
- High-power resistive and inductive actuators
Specifications
- 40V maximum transient supply voltage (VCC)
- 4V to 28V operating voltage range
- 7mΩ (typical) on-state resistance (per Ch) (RON)
- 100A (typical) current limitation (ILIMH)
- 0.5µA (maximum) standby current (ISTBY)
- -40°C to +150°C junction operating temperature
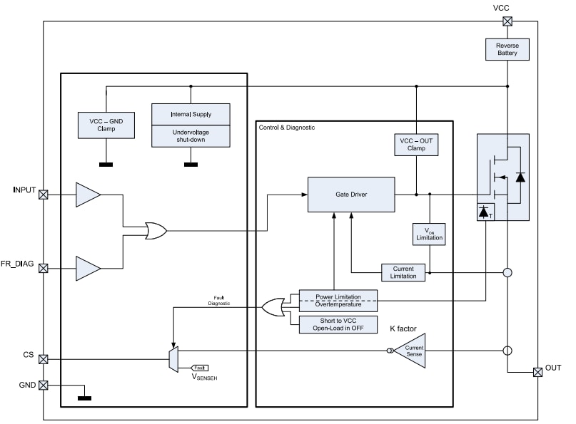
VN7007ALHTR Block Diagram
Inilathala: 2018-08-02
| Na-update: 2023-02-13
