STMicroelectronics L9663 Automotive PSI5 Transceiver ICs
STMicroelectronics L9663 Automotive PSI5 Transceiver ICs is an open standard facilitating existing sensor interfaces for peripheral sensors and delivers a universal solution for multiple sensor applications. The PSI5 interface enables asynchronous or synchronous operations and different bus modes.The STMicro Peripheral Sensor Interface (PSI5) is compatible with both v1.3 and v2.x revisions while operating with a wide range of sensor supply current and variable data word length (8-bit to 28-bit). The sensors are attached to the ECU and employ the same line for power supply and data transmission. The transceiver IC supplies a preregulated voltage to the sensors and reads in the transmitted sensor data. The PSI5 interface implements either a point-to-point connection or a bus mode.
Features
- AEC-Q100 qualified
- 2-ch PSI5 transceiver compatible with rev. 1.3 and rev. 2.x
- Manchester coded digital data transmission
- High data transmission speed of 125kbps (optional 83.3kbps and 189kbps)
- High EMC robustness and low emission
- Current limitation and voltage clamp on interface pins
- Integrated charge pump stage for preregulation with a spread spectrum approach
- Bootstrap circuits for sync pulses
- Integrated FLL module for high-accuracy timing control
- Reverse voltage protection structure
- Short to ground tolerant with ±1.5V ground shift
- 32-bit SPI interface with address multiplexing
- Operating voltage of VB = 4.8V (5.2V for sync pulses with 3.5V step) to 35V
- -40°C to 140°C ambient temperature range
- VFQFPN28 or TQFP32EP packages
Applications
- Automotive:
- Chassis and safety:
- Active suspension
- Airbag system
- Braking system:
- ABS
- Electric brake booster
- Electronic stability control (ESC)
- Electric power steering (EPS)
- Chassis and safety:
Additional Resources
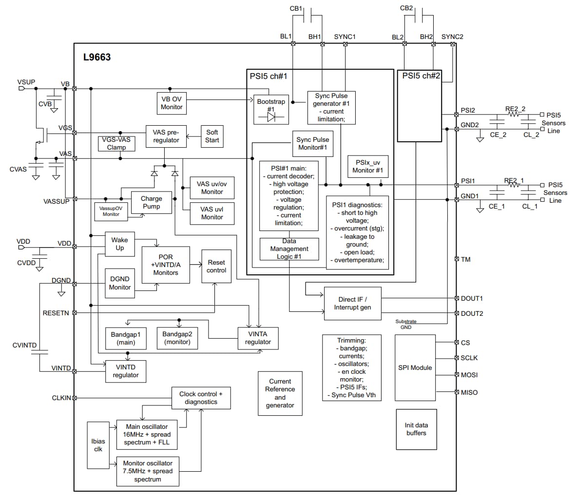
Block Diagram
Detailed Block Diagram
Inilathala: 2025-08-10
| Na-update: 2025-08-18
