STMicroelectronics TDA7491HV Audio Amplifiers
STMicroelectronics TDA7491HV Audio Amplifiers are dual Bridge-Tied Load (BTL) class-D audio amplifiers with a single power supply designed for LCD TVs and monitors. Features include short-circuit protection, thermal overload protection, and external synchronization. STMicroelectronics TDA7491HV Audio Amplifiers are pin-to-pin compatible with TDA7491P and TDA7491LP amplifiers.Features
- 20W + 20W continuous output power:
- RL = 8Ω, THD = 10% @ VCC = 18V
- Wide-range single-supply operation (5V to 18V)
- High efficiency (η = 90%)
- Four selectable, fixed gain settings of nominally 20dB, 26dB, 30dB, and 32dB
- Differential input minimize common-mode noise
- No ‘pop’ at turn-on/off
- Standby and mute features
- Short-circuit protection
- Thermal overload protection
- External synchronization
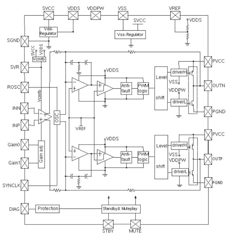
Internal Block Diagram (showing one channel only)
Inilathala: 2018-11-20
| Na-update: 2023-02-23
