STMicroelectronics STEVAL-MKI248KA Evaluation Kit
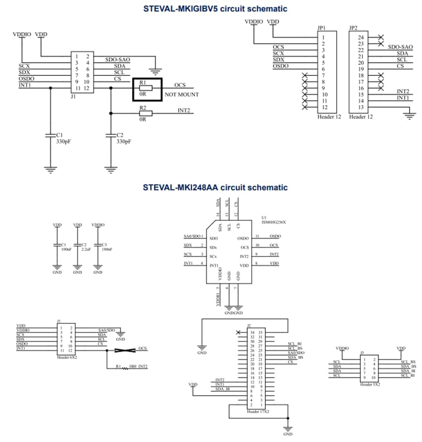
STMicroelectronics STEVAL-MKI248KA Evaluation Kit is an adapter kit designed to simplify the evaluation of the ISM6HG256X 6-axis inertial measurement unit (IMU). The kit includes a DIL24 adapter board (STEVAL-MKIGIBV5), a flat cable, and a square PCB with the ISM6HG256X IMU mounted in the center. The square PCB ensures accurate sensor placement for system integration and measurement. The PCB can be easily attached to equipment using double-sided adhesive or mounted via corner holes for secure installation.The STEVAL-MKIGIBV5 adapter plugs into a standard DIL-24 socket and provides full access to the ISM6HG256X pinout. It comes pre-configured with necessary decoupling capacitors on the VDD power line, making it ready for immediate use.
This STMicroelectronics kit is compatible with the STEVAL-MKI109D evaluation platform, which features a high-performance 32-bit microcontroller. This platform acts as a bridge between the sensor and a PC, enabling data visualization and analysis through the MEMS Studio GUI or custom software routines.
Additionally, the kit can be connected to X-NUCLEO-IKS02A1 or STEVAL-STWINBX1 platforms using a dedicated connector included on the STEVAL-MKI248KA board.
Features
- Kit includes
- Generic DIL24 adapter board (STEVAL-MKIGIBV5)
- Flat cable
- Square PCB mounting the ISM6HG256X 6-axis IMU
- Evaluates the ISM6HG256X 6-axis IMU
- Complete ISM6HG256X pinout for a standard DIL 24 socket
- Fully compatible with the STEVAL-MKI109D evaluation platform
- RoHS compliant
Applications
- Asset tracking
- Motion sensing and analysis
- Industrial monitoring
- Consumer electronics development
- Wearable devices
- Robotics
- Automotive systems
- Smart infrastructures
- Vibration monitoring
- Sports and fitness equipment
Schematic Diagrams
Inilathala: 2025-10-08
| Na-update: 2025-10-30
