STMicroelectronics STPM098C Dual Digital 8-Phase Controller

STMicroelectronics STPM098C Dual Digital 8-Phase Controller is a dual-loop digital multi-phase buck controller with built-in nonvolatile memory (NVM) and PMBus™ interface for automotive applications. STPM098C is used to manage the power of loads that require high power, such as processor cores and memories. It controls up to eight external drivers+MOS and, with its two loops, allows the supply of up to two different voltages. An advanced control loop architecture based on a constant on-time (COT) scheme provides fast transient responses and high efficiency. The device also includes phase interleaving and dynamic phase add/drop for efficiency enhancement for light load ranges.

The STMicroelectronics STPM098C supports a ver.1.2 compliant PMBus communication with eight possible interface address values for reporting the telemetry of voltage, current, power, temperature, and fault signaling. Programmable parameters can be configured through the PMBus interface and stored in an on-chip NVM, minimizing external components. STPM098C additionally provides an extensive monitoring unit system and fault protection, including independent under-/over-voltage (UV/OV) on the output voltage, loop feedback disconnection, phase current unbalancing, and dual-threshold overcurrent for both positive and negative phase currents.

Features

  • Protection and diagnostic
    • PMBus™ readable input telemetry (voltage, current, power)
    • PMBus configurable overcurrent, undervoltage, and over-power diagnostics and protection on input metrics
    • PMBus readable output telemetry (voltage, current, temperature) for each loop
    • PMBus configurable under/overcurrent, under/overvoltage diagnostics and protection on output metrics for each loop
    • PMBus configurable thermal warning and thermal shutdown diagnostics and protection on the output stage for each loop
    • PMBus readable single-phase current telemetry
    • PMBus configurable single-phase overcurrent diagnostics and protection
    • PMBus configurable general-purpose UV/OV diagnostic thorough pin AUX_SENSE
    • Feedback loop disconnection diagnostics
    • Internal overtemperature diagnostics and protection
    • PMBus readable Tj measurement
    • Ground loss diagnostics
    • System clock monitoring
    • Power supply pins VCC, VREF1, VREF2 overvoltage and undervoltage diagnostics
    • Fault status flag output through SM_ALERT, FAULT, VRRDY1, and VRRDY2 pins
  • AEC-Q100 qualified
  • Phase assignment between two loops: 8+0 to 4+4
  • 0.5V to 2V output voltage range
  • 4.75V to 5.25V operating voltage range
  • 200kHz to 1.5MHz switching frequency range
  • Programmable dynamic phase shedding operation for light loads and active diode emulation for very light loads
  • High-performance digital control Loop
  • Embedded CPU ARM Cortex™ M0+ at 40MHz
  • Embedded NVM
  • PMBus™ rev 1.2 (400kHz maximum frequency)
  • -40°C to +125°C operating temperature range
  • -40°C to +150°C junction temperature range
  • Full ISO26262 compliant, ASIL-D systems ready
  • 7.0mm x 7.0mm x 0.9mm, VFQFN 48+4L package

Applications

  • ADAS systems
  • High-power microprocessors
  • DDR memories

Simplified Block Diagram

Block Diagram - STMicroelectronics STPM098C Dual Digital 8-Phase Controller

Internal Power Supply Simplified Block Diagram

Block Diagram - STMicroelectronics STPM098C Dual Digital 8-Phase Controller

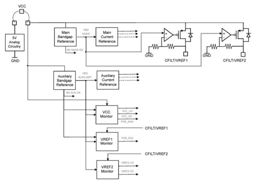
The VCC power supply is STPM098C's main power input. The VCC rail starts the power-up and power-down sequences by feeding the subsequent internal purpose circuitries (that is, bandgaps, monitoring units, and internal regulators control loops). Starting from the VCC pin, the reference structures are replicated into two independent instances to avoid common cause failures (a main one and an auxiliary one).

VREF1 Regulator Simplified Block Diagram

STMicroelectronics STPM098C Dual Digital 8-Phase Controller

The internal supply rail for STPM098C's digital core is generated by a current-limited LDO regulator with a PMOS output stage and an external tank capacitance supplied by the VCC pin. Additionally, the VREF1 regulator is intended as the reference voltage for up to eight external DrMOS current measurement analog outputs.

VREF2 Regulator Simplified Block Diagram

Block Diagram - STMicroelectronics STPM098C Dual Digital 8-Phase Controller

The internal supply rail for the PWM output buffer is generated by a current-limited LDO regulator with a PMOS output stage and an external tank capacitance supplied by VCC pin. The VREF2 regulator is intended as a supply voltage for external pull-up resistances (4.7kΩ) of PMBus pins SM_DATA, SM_CLK, and SM_ALERT.

Inilathala: 2024-11-26 | Na-update: 2025-01-08