Swissbit M1700 embedded MultiMediaCards (eMMCs)
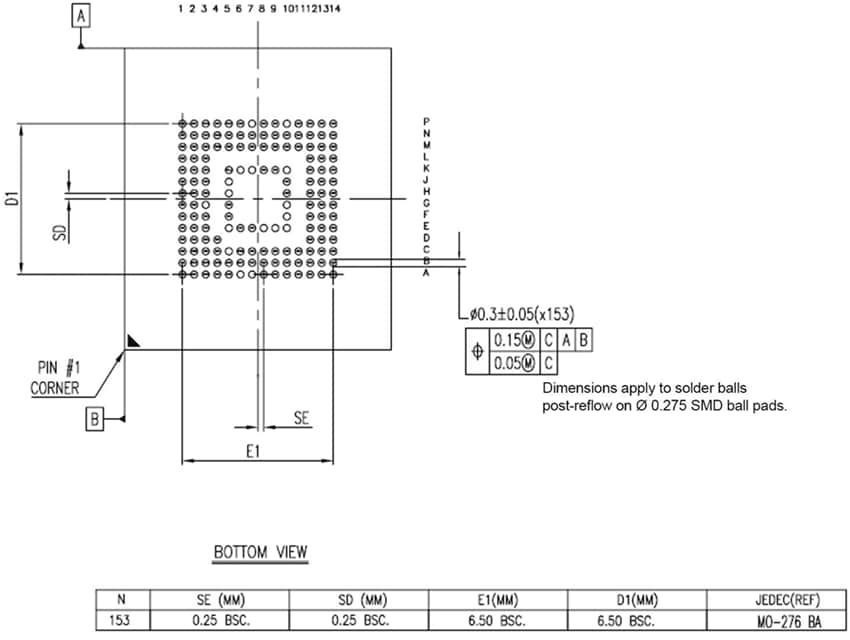
Swissbit M1700 embedded MultiMediaCards (eMMCs) are 4GB devices preconfigured in 100% pSLC mode and designed for a long life cycle. These eMMCs are designed as small-form-factor memory devices for data storage and boot media. The M1700 eMMCs are non-volatile storage consisting of a single-chip MMC controller and a NAND flash memory chip inside a JEDEC-defined standard BGA package. These eMMCs are based on 2D pSLC NAND base technology that targets high-demand and write-intensive industrial applications. The M1100 eMMCs operate at -40°C to 85°C industrial and -40°C to 105°C automotive temperature ranges. These eMMC devices are fully compliant with the JEDEC eMMC 5.1 standard. The M1700 eMMCs are offered in a 153-ball BGA, 0.5mm pitch, and 11.5 x 13mm dimensions. These devices are AEC-Q100 qualified and RoHS compliant. The M1700 eMMCs are ideal for industrial, POS/POI, PLC, IoT, and charging stations, as well as medical applications.Features
- 4GB, preconfigured in 100% pSLC mode and designed for a long life cycle
- Fully compliant with JEDEC eMMC 5.1 standard (JESD84-B51)
- 153-ball BGA, 0.5mm pitch, and 11.5 x 13mm dimensions
- 2D MLC NAND base technology in enhanced mode (pSLC)
- Multiple MLC or enhanced/reliable mode partitions are user configurable according to the eMMC Spec 5.1
- High-performance eMMC 5.1 specification:
- Eleven-wire bus (clock, data strobe, 1-bit command, and 8-bit data bus) and a hardware reset
- Three different data bus width modes:
- 1-bit (default), 4-bit, and 8-bit
- 0MHz to 200MHz clock frequencies at high-speed mode HS400
- Command queue feature according to eMMC Spec 5.1
- Up to 240MB/s sequential read and up to 90MB/s sequential write
- Power supply:
- Low-power CMOS technology
- VCCQ 1.7V to 1.95V or 2.7V to 3.6V eMMC supply ranges
- VCC 2.7V to 3.6V NAND flash supply range
- Optimized FW algorithms:
- Power-fail data loss protection
- Wear leveling technology equals wear leveling of static and dynamic data
- Read disturb management
- Auto-read refresh
- Diagnostic features with device health report according to eMMC Spec 5.1
- Field firmware
- Discard, sanitize, and trim
- Boot operation mode and alternative boot operation mode
- Replay Protected Memory Block (RPMB)
- High reliability:
- Designed with sophisticated firmware architecture for industrial, automotive, and embedded markets
- Optimized for a long life cycle that requires superior data retention as well as power fail safety
- RoHS compliant
- AEC-Q100 qualified
Applications
- Industrial
- POS/POI
- Programmable Logic Controllers (PLCs)
- IoT
- Charging stations
- Medical
eMMC System Overview
Dimensions
Inilathala: 2025-06-05
| Na-update: 2025-06-10
