Taiwan Semiconductor PUAD Ultra Fast Surface Mount Rectifiers
Taiwan Semiconductors PUAD Ultra Fast Surface Mount Rectifiers feature low power loss and 100V to 200V repetitive peak reverse voltage (VRRM). These rectifiers feature planar technology and high efficiency and are ideal for automated placement. The PUAD ultra-fast surface mount rectifiers offer moisture sensitivity level: level 1, per J-STD-020 and UL 94V-0 flammability rating. These rectifiers are RoHS-compliant and halogen-free. The PUAD ultra-fast surface mount rectifiers operate at -55°C to 175°C junction temperature range and are available in the ThinDPAK package. These rectifiers are ideally used in high-frequency switching, DC/DC, and snubber applications.Features
- Planar technology
- Low power loss and high efficiency
- Ideal for automated placement
- Moisture sensitivity level 1, per J-STD-020
- RoHS-compliant
- Halogen-free
Specifications
- -55°C to 175°C junction and storage temperature range
- 100V to 200V repetitive peak reverse voltage (VRRM)
Applications
- High-frequency switching
- DC/DC
- Snubber
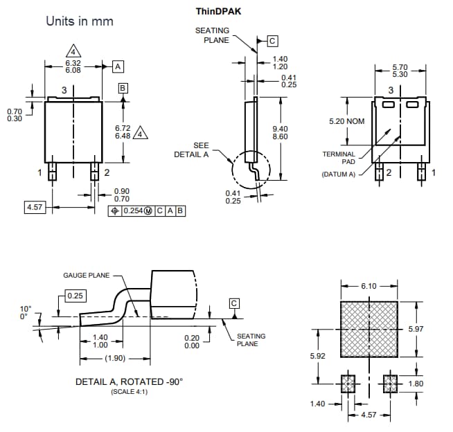
Package Outline Dimensions (ThinDPAK)
View Results ( 24 ) Page
| Numero ng Piyesa | Datasheet | Vr - Reverse Voltage | If - Forward Current | Vf - Forward Voltage | Max na Surge Current | Ir - Reverse Current | Tagal ng Pag-recover |
|---|---|---|---|---|---|---|---|
| PUAD6JH | ![]() |
600 V | 6 A | 1.43 V | 170 A | 2 uA | 25 ns |
| PUAD10BC | ![]() |
||||||
| PUAD8BC | ![]() |
||||||
| PUAD8DC | ![]() |
||||||
| PUAD10BCH | ![]() |
100 V | 10 A | 880 mV | 130 A | 2 uA | 20 ns |
| PUAD10DC | ![]() |
||||||
| PUAD4B | ![]() |
||||||
| PUAD4D | ![]() |
||||||
| PUAD4DH | ![]() |
200 V | 4 A | 850 mV | 130 A | 2 uA | 20 ns |
| PUAD6BC | ![]() |
Inilathala: 2023-03-29
| Na-update: 2024-02-07

