Taiwan Semiconductor TESDA24VB17P1M3 ESD Protection Diode
Taiwan Semiconductor TESDA24VB17P1M3 ESD Protection Diode is a bidirectional ESD-rated clamping cell to protect power interfaces, control-line, or low-speed data-line in an electronic system. This diode is designed to protect sensitive electronic components that are connected to power and control lines from over-voltage damage by Electrostatic Discharging (ESD) and lightning. The TESDA24VB17P1M3 diode is used to provide ESD protection up to ±30kV (contact and air discharge) and can withstand peak pulse current up to 5A (8/20μs). This diode is used in applications like ESD protection for in-vehicle network lines in automotive environments, CAN buses, general-purpose I/O, and portable instrumentation.Features
- AEC-Q101 qualified
- ESD protection for 1 line with bidirectional
- Provide ESD protection for each channel to IEC61000-4-2 (ESD) ±30kV (air), ±30kV (contact) IEC61000-4-5 (lightning) 5A (8/20μs)
- Suitable for 24V and below operating voltage applications
- Small package saves board space
- Protect one I/O line or one power line
- 210W peak pulse power (PPK) (tp = 8/20μs)
- 5A peak pulse current (IPP) (tp = 8/20μs)
- -55°C to 150°C operating junction temperature range (TJ)
- Moisture Sensitivity Level-1 (MSL-1), per J-STD-020
- RoHS compliant
- Halogen-free
Applications
- ESD protection for In-vehicle network lines in automotive environments
- CAN bus
- General purpose I/O
- Portable instrumentation
ESD Protection by TESDA24VB17P1M3
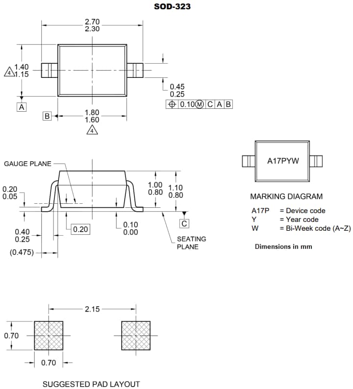
Package Outline Dimensions
Inilathala: 2025-03-27
| Na-update: 2025-04-10
