TE Connectivity / SMI SM923x Series Ultra-Low Gauge Pressure Sensors
TE Connectivity / SMI SM923x Series Ultra-Low Gauge Pressure Sensors offer state-of-the-art MEMS pressure transducer technology and CMOS mixed signal processing technology. SMI SM923x Sensors produce a digital, fully conditioned, multi-order pressure and temperature-compensated sensor in JEDEC standard SOIC-16 package with a dual vertical porting option. The total accuracy after board mount and system level autozero is less than 1%FS. Combining the pressure sensor with a signal-conditioning ASIC in a single package simplifies the use of advanced silicon micro-machined pressure sensors. The pressure sensor can be mounted directly on a standard printed circuit board, and a high-level, calibrated pressure signal can be acquired from the digital interface. This eliminates the need for additional circuitry, such as a compensation network or microcontroller containing a custom correction algorithm.Features
- 250Pa up to 600Pa gauge pressure ranges
- <1%FS accuracy after autozero
- 16-bit I2C digital interface
- Pressure calibrated and temperature compensated output
- -20°C to +85°C compensated temperature range
Applications
- Medical
- Sleep apnea
- CPAP
- Ventilators
- Gas flow instrumentation
- Air flow monitors
- Life sciences
- Industrial
- HVAC/VAC
- Airflow measurement
- Pressure transmitters
- Pneumatic gauges
- Pressure switches
- Safety cabinets
- Gas flow instrumentation
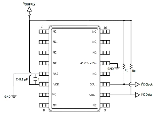
Applications Circuit
View Results ( 12 ) Page
| Numero ng Piyesa | Pressure ng Pagpapatakbo | Katumpakan | Supply Voltage ng Pagpapatakbo |
|---|---|---|---|
| SM9236-BCE-S-600-002 | 0 Pa to 600 Pa | 1.5 % | 5 V |
| SM9233-BCE-S-250-002 | 0 Pa to 250 Pa | 3 % | 5 V |
| SM9235-BCE-S-300-000 | 0 Pa to 300 Pa | 2.5 % | 3.3 V |
| SM9235-BCE-S-300-002 | 0 Pa to 300 Pa | 2.5 % | 5 V |
| SM9236-BCE-S-600-000 | 0 Pa to 600 Pa | 1.5 % | 3.3 V |
| SM9233-BCE-S-250-000 | 0 Pa to 250 Pa | 3 % | 3.3 V |
| SM9233-BCE-T-250-000 | 0 Pa to 250 Pa | 3 % | 3.3 V |
| SM9233-BCE-T-250-002 | 0 Pa to 250 Pa | 3 % | 5 V |
| SM9235-BCE-T-300-000 | 0 Pa to 300 Pa | 2.5 % | 3.3 V |
| SM9235-BCE-T-300-002 | 0 Pa to 300 Pa | 2.5 % | 5 V |
Inilathala: 2019-07-03
| Na-update: 2023-08-16
