TechNexion EDM TYPE 1 PICO-ITX Evaluation Board
TechNexion EDM TYPE 1 PICO-ITX Evaluation Board is designed to work with EDM Type 1 System on Modules (SOMs). This evaluation board features a 314-pin MXM3 EDM connector, DS1337+ serial real-time clock, NXP SGTL5000 audio codec, 2-channel I2S audio interface, and MikroBUS internal header. The MikroBUS internal header provides extremely rich sensor connectivity, expansion, and audio I/O options. The EDM TYPE 1 eval board sports a 24-bit Transistor-Transistor-Logic (TTL) RGB signals internal display with a touch connector. An open and modular design ensures reduced development time/costs and creates extremely scalable IoT products.Features
- NXP SGTL5000 audio codec
- 24-bit Transistor-Transistor-Logic (TTL) RGB signals display
- CTIA-compliant 3.5mm audio jack
- 314-pin MXM3 board-to-board EDM connector
- UART debug interface
- More than 100,0000hrs Mean-Time-Between-Failures (MTBF)
- RoHS and REACH compliant
- DS1337+ RTC by Maxim Integrated
- Expansion headers
- GPIO
- I2C
- I2S
- PWM
- RS232
- SPI
- USB
Specifications
- 12VDC ±5% power input
- 2-pin micro-fit 3.0 power connector
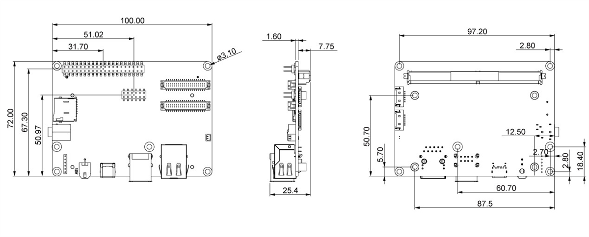
- 100mm x 72mm dimensions
- Pico-ITX form factor
- 0 to +60°C operating temperature range
Block Diagram
Dimensions
Inilathala: 2018-09-19
| Na-update: 2022-08-19
