Texas Instruments AFE4950 Integrated Analog Front-End (AFE)
Texas Instruments AFE4950 Integrated Analog Front-End (AFE) is for the synchronized signal acquisition of PPG and ECG signals. The Texas Instruments AFE4950 can also be used for optical bio-sensing applications, such as heart-rate monitoring (HRM) and saturation of peripheral capillary oxygen (SpO2). The ECG signal chain supports 2- and 3-electrode configurations and has an integrated Right leg drive (RLD) buffer. The ECG signal chain can also be used for continuous, low-power monitoring of the impedance between electrodes.Features
- Supports simultaneous and synchronized acquisition of up to 24 PPG and a single-lead ECG signal
- Flexible allocation of eight LEDs, four PDs in each phase
- ECG signal chain
- 1-lead ECG signal acquisition up to 2kHz
- RLD output to drive a third electrode
- 0.7µVrms input noise
- Supports up to +/- 0.65V differential DC offset and +/-0.55V common-mode range
- Programmable INA gain (11, 21)
- A high-pass filter with quick saturation recovery
- Integrated 300Hz anti-aliasing low pass filter
- 2.6nA to 85nA AC, DC lead-off detect
- Low-power continuous lead-on detection
- Impedance signal chain
- Continuous low-power monitoring of impedance between 2 electrodes
- 7MΩ range
- 300Ω noise on 620kΩ
- PPG Transmitter
- 8-bit Programmable LED current with range adjustable from 25mA to 250mA
- Mode to fire two LEDs in parallel
- Support of eight LEDs in common anode configuration for SpO2, multi-wavelength HRM
- PPG Receiver
- Two parallel receivers (two sets of TIA/ filter)
- Supports four time-multiplexed photodiode inputs to each receiver
- 8-bit ambient offset subtraction at each TIA input with 256µA range
- 8-bit LED offset subtraction DAC with 64µA range
- Automatic ambient cancellation and dynamic LED DC cancellation at TIA input
- Ambient rejection close to 100 dB up to 10Hz
- Noise filtering with programmable bandwidth
- 3.7kΩ to 1MΩ trans-impedance gain
- Accurate, continuous heart-rate monitoring
- System SNR up to 109dB at 16µA PD current
- Low current for continuous operation on a wearable device with a typical value (15µA for an LED, 20µA for the receiver)
- External clock and internal oscillator modes
- Acquire data synchronized with the system master clock
- FIFO with 256-sample depth
- SPI, I2C interfaces (selectable by pin)
- 2.6mm × 2.5mm DSBGA, 0.4mm pitch
- Supplies (Rx:1.7-1.9V (LDO bypass); 1.9-3.6V (LDO enabled), Tx:3-5.5V, IO:1.7-RX_SUP)
Applications
- Optical Heart-Rate Monitoring (HRM) for wearables, hearables
- High-performance ECG signal acquisition
- Synchronized PPG, and ECG for BP estimation
- Heart-rate variability (HRV)
- Pulse oximetry (SpO2) measurements
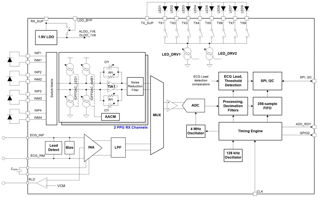
Simplified Schematic
Inilathala: 2020-12-02
| Na-update: 2024-10-08
