Texas Instruments AFE7955 2T3R RF Sampling Analog Front End

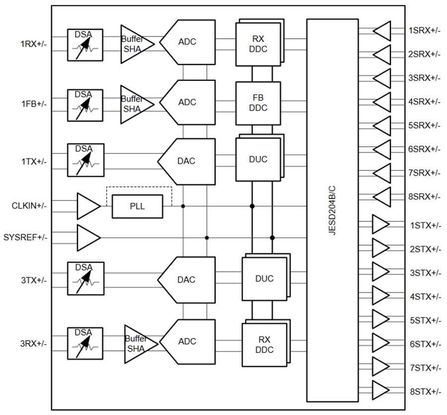
Texas Instruments AFE7955 2T3R RF Sampling Analog Front End (AFE) is a high-performance, wide-bandwidth multi-channel transceiver, integrating two RF sampling transmitter chains and three RF sampling receiver chains. With operation up to 12GHz, this device enables direct RF sampling in the L, S, C, and X-band frequency ranges. This feature is done without the need for additional frequency conversion stages. This improvement in flexibility and density enables high-channel-count, multi-mission systems.

The TX signal paths support interpolation and digital up-conversion options that deliver up to 1200MHz signal bandwidth per TX channel. The DUCs' output drives a 12GSPS DAC (digital to analog converter) with a mixed mode output option to enhance the 2nd Nyquist operation. The DAC output includes a variable gain amplifier (TX DSA) with a 40dB range and 1dB analog and 0.125dB digital steps.

Two receiver chains on the Texas Instruments AFE7955 include a 25dB range DSA (Digital Step Attenuator), followed by a 3GSPS ADC (analog-to-digital converter). The two receiver channels have an analog peak power detector, various digital power detectors to assist an external or internal autonomous automatic gain controller, and RF overload detectors for device reliability protection. Flexible decimation options optimize signal bandwidth of up to 1200MHz per RX channel. An additional receiver channel has a single wideband DDC supporting up to 1200MHz bandwidth.

Features

  • Dual RF sampling 12GSPS transmit DACs
  • Triple RF sampling 3GSPS receive ADCs
  • 1200MHz maximum RF signal bandwidth
  • 600MHz to 12GHz RF frequency range
  • Digital step attenuators (DSA)
    • TX: 40dB range, 0.125dB steps
    • RX: 25dB range, 0.5dB steps
  • Single or dual-band DUC or DDCs
  • 16x NCOs per TX
  • Optional internal PLL or VCO for DAC or ADC clocks or external clock at DAC or ADC sample rate
  • SerDes data interface
    • JESD204B and JESD204C compatible
    • Eight SerDes transceivers up to 29.5Gbps
    • Subclass 1 multi-device synchronization
  • 17mm × 17mm FCBGA, 0.8mm pitch package

Applications

  • Radar
  • Seeker front end
  • Defense radio
  • Tactical communications infrastructure
  • Wireless communications test

Functional Block Diagram

Block Diagram - Texas Instruments AFE7955 2T3R RF Sampling Analog Front End
Inilathala: 2024-06-21 | Na-update: 2024-06-25