Texas Instruments AMC131M03/AMC131M03-Q1 24-Bit Delta-Sigma ADC
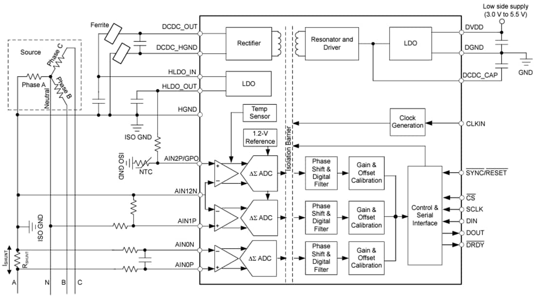
Texas Instruments AMC131M03/AMC131M03-Q1 24-Bit Isolated Delta-Sigma Analog-to-Digital Converter (ADC) is a precision, three-channel, data- and power-isolated, 24-bit, delta-sigma (ΔΣ) ADC. The AMC131M03AMC131M03/AMC131M03-Q1 offers a wide dynamic range of energy-measurement-specific and low-power features for power metrology and energy metering applications. The ADC inputs can be directly interfaced with a shunt current sensor or a resistor-divider network because of the device's high input impedance.The AMC131M03AMC131M03/AMC131M03-Q1 features a fully integrated isolated DC-DC converter that allows single-supply operation from the low side of the device. The reinforced capacitive isolation barrier is certified according to UL1577 and VDE 0884-17. This isolation barrier separates parts of the system to protect lower-voltage parts from damage. It operates on different common-mode voltage levels, making the AMC131M03AMC131M03/AMC131M03-Q1 an excellent choice for polyphase energy metering applications using shunt current sensors. The Texas Instruments AMC131M03-Q1 devices are AEC-Q100 qualified for automotive applications.
Features
- Three isolated, simultaneous sampling ΔΣ ADCs with differential or single-ended inputs
- Single-supply operation (3.3V or 5V) with integrated DC-DC converter
- Low EMI that meets CISPR-11 and CISPR-25 standards
- Programmable data rate up to 64kSPS
- Programmable gain up to 128
- Low-drift internal voltage reference
- Internal temperature sensor
- 4-wire SPI interface with cyclic redundancy check (CRC)
- Safety-related certifications
- 7070VPEAK reinforced isolation per DIN EN IEC 60747-17 (VDE 0884-17)
- 5000VRMS isolation for 1 minute per UL1577
- 20-pin, wide-body SOIC package
- –40°C to +125°C operating temperature range
Applications
- Electricity meters (commercial and residential)
- Circuit breakers
- EV charging stations
- Battery management systems
Datasheets
Functional Block Diagram
Inilathala: 2023-12-18
| Na-update: 2024-01-04
