Texas Instruments bq25750 Buck-Boost Battery Charge Controller

Texas Instruments bq25750 Bi-Directional Buck-Boost Battery Charge Controller is a wide input voltage, Li-polymer, switched-mode buck-boost Li-Ion, or LiFePO 4 battery charge controller with direct power path control. The device offers high-efficiency battery charging over a wide voltage range, charge voltage regulation and accurate charge current, automatic termination, charge preconditioning, and charge status indication. The device integrates all the loop compensation for the buck-boost converter, providing a high-density solution that is easy to use. In reverse mode, the device draws power from the battery and regulates the SYS terminal voltage.

Besides the I2C host-controlled charging mode, the device supports standalone charging mode via resistor programmable limits. Input current, charge voltage regulation, and charge current targets can be set via the ILIM_HIZ, ICHG, and FB pins, respectively. The device has three status pins (STAT1, STAT2, and PG) to indicate the charging and input voltage status. These pins can be used to communicate with a host processor or drive LEDs. If needed, these pins can also be used as general-purpose indicators, and the status is controlled directly by the I2C interface. The INT pin immediately notifies the host when the device status changes, including faults.

The device also provides an analog-to-digital converter (ADC) for monitoring input current, charge current, and input/battery/system/thermistor voltages. The Texas Instruments bq25750 comes with a 36-pin 5.0mm x 6.0mm QFN package with 0.5mm pin pitch.

Features

  • 4.2V to 70V wide input voltage operating range
  • Wide battery voltage operating range of up to 70V with multi-chemistry support
    • 1- to 14-cell Li-ion charge profile
    • 1- to 16-cell LiFePO4 charge profile
  • Synchronous buck-boost charge controller with NFET drivers
    • Adjustable switching frequency from 200kHz to 600kHz
    • Optional synchronization to external clock
    • Integrated loop compensation with soft start
    • Optional gate driver supply input for optimized efficiency
  • Bi-directional converter operation (Reverse Mode) supporting USB-PD Extended Power Range (EPR)
    • Adjustable input voltage (VAC) regulation from 3.3V to 65V with 20mV/step
    • Adjustable input current regulation (RAC_SNS) from 400mA to 20A with 50mA/step using 5mΩ resistor
  • Direct power path management for the highest efficiency in the power system
    • System power selection from adapter or battery
    • Dynamic power management
    • All N-channel FET drivers
  • Low battery quiescent current
  • High accuracy
    • ±0.5% charge voltage regulation
    • ±3% charge current regulation
    • ±3% input current regulation
  • I2C controlled for optimal system performance with a resistor-programmable option
    • Hardware adjustable input and output current limits
  • Integrated 16-bit ADC for voltage, current, and temperature monitoring
  • High safety integration
    • Adjustable input overvoltage and undervoltage protection
    • Battery overvoltage and overcurrent protection
    • Charging safety timer
    • Battery short protection
    • Thermal shutdown
  • Status outputs
    • Adapter present status (PG)
    • Charger operation status
  • Package
    • 36-pin 5mm×6mm QFN

Applications

  • Cordless power and garden tools
  • Solar backup charger
  • Energy storage systems
  • Drone
  • Ultrasound
  • X-ray systems
  • Electronic hospital beds and bed control
  • Multiparameter patient monitors

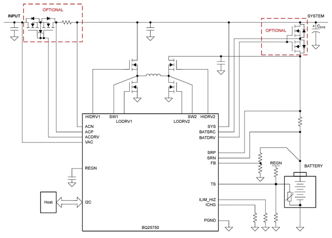
Simplified Schematic

Schematic - Texas Instruments bq25750 Buck-Boost Battery Charge Controller
Inilathala: 2024-02-02 | Na-update: 2024-02-16