Texas Instruments CDCE(L)949 4-PLL VCXO Clock Synthesizers
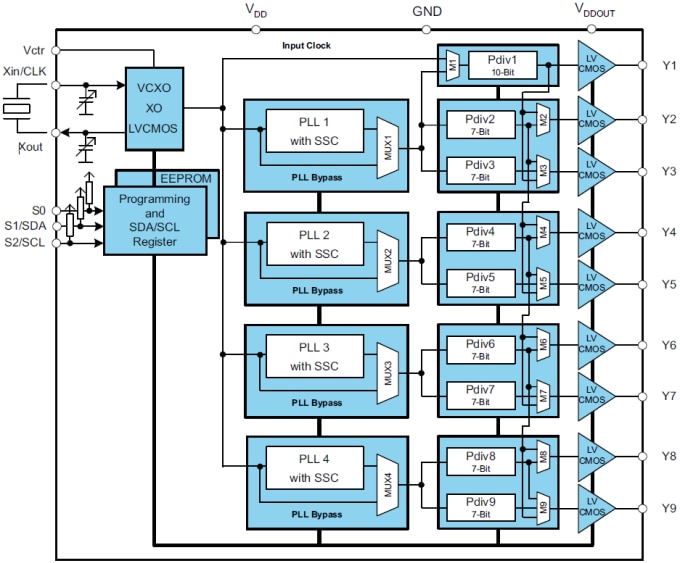
Texas Instruments CDCE(L)949 4-PLL VCXO Clock Synthesizers are a modular PLL-based, low-cost, high-performance, programmable clock synthesizer, multiplier, and divider. These devices generate up to 9 output clocks from a single input frequency. Each output can be programmed in-system for any clock frequency up to 230MHz, using up to four independent configurable PLLs.The CDCE(L)949 has separate output supply pins, VDDOUT, of 2.5V to 3.3V. The input accepts an external crystal or LVCMOS clock signal. If an external crystal is used, an on-chip load capacitor is adequate for most applications. The value of the load capacitor is programmable from 0 to 20pF. Additionally, an on-chip VCXO is selectable, allowing synchronization of the output frequency to an external control signal, that is, a PWM signal.
Features
- Member of programmable clock generator family
- CDCE913/CDCEL913: 1 PLLs, 3 outputs
- CDCE925/CDCEL925: 2 PLLs, 5 outputs
- CDCE937/CDCEL937: 3 PLLs, 7 outputs
- CDCE949/CDCEL949: 4 PLLs, 9 outputs
- In-system programmability and EEPROM
- Serial programmable volatile register
- Non-volatile EEPROM to store customer settings
- Highly flexible clock driver
- Three user-definable control inputs (S0/S1/S2) e.g. SSC-selection, frequency switching, output enable or power down
- Generates highly-accurate clocks for video, audio, USB, IEEE1394, RFID, generates common clock frequencies used with TI DaVinci™, OMAP™, and DSPs
- BlueTooth™, WLAN, Ethernet, and GPS
- Programmable SSC modulation
- Enables 0-PPM clock generation
- Selectable output frequency up to 230MHz
- Flexible input clocking concept
- 8MHz to 32MHz external crystal
- On-chip VCXO: pull-range ±150ppm
- Single-ended LVCMOS up to 160MHz
- Low-noise PLL core
- Integrated PLL loop filter components
- Very low period jitter (60ps typical)
- Separate output supply pins
- CDCE949: 3.3V and 2.5V
- CDCEL949: 1.8V
- 1.8V device power supply
- Wide -40°C to +85°C temperature range
- Packaged in TSSOP
- Development and programming kit for easy PLL design and programming (TI-Pro clock)
Applications
- D-TV, HD-TV, STB, IP-STB, DVD-Player, DVD-Recorder, and Printer
- General-purpose frequency synthesizing
Datasheets
Functional Block Diagram
Inilathala: 2016-01-06
| Na-update: 2022-03-11
