Texas Instruments DAC53xAxW Current-Source DACs
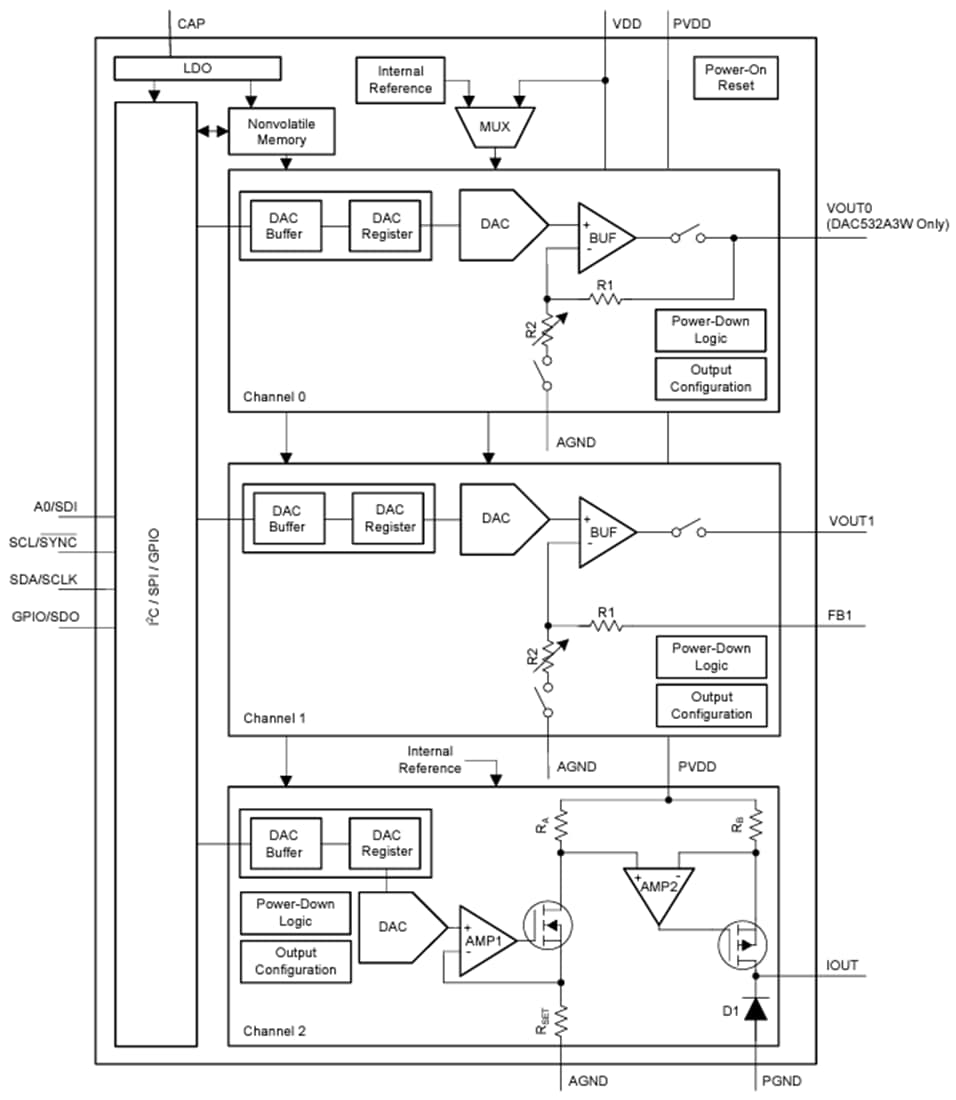
Texas Instruments DAC53xAxW Current-Source Digital-to-Analog Converters (DACs) are 10-bit, buffered voltage-output and current-output smart digital-to-analog-converters (DAC). The DAC53xAxW devices support a current source that can be used for linear control of laser diodes and miniature motors. These devices support Hi-Z power-down mode and Hi-Z output during power-off conditions for voltage output. Channel 1 can be configured as a voltage-output DAC or a comparator. The voltage-output DACs provide a force-sense option for use as a programmable comparator and current sink. The multifunction GPIO, function generation, and programmable nonvolatile memory (NVM) enable these smart DACs for processor-less applications and design reuse. These devices automatically detect SPI or I2C interfaces and contain an internal reference.The Texas Instruments DAC53xAxW feature set combined with the tiny package and low power makes these smart DACs an excellent choice for applications such as laser diode power control and voice-coil motor (VCM) control in camera lens autofocus and zoom applications.
Features
- Current-source DAC
- 1LSB DNL
- Two ranges (300mA and 220mA)
- 770mV headroom
- Dual ( DAC532A3W only) voltage-output DACs
- 1LSB DNL
- Gains of 1×, 1.5×, 2×, 3×, and 4×
- Programmable comparator mode on channel 1
- High-impedance output when VDD is off
- High-impedance and resistive pull-down power-down modes
- 50MHz SPI-compatible interface
- Automatically detects I2C or SPI at 1.62V VIH with VDD = 5.5V
- General-purpose input/output (GPIO) configurable as multiple functions
- Predefined waveform generation: sine, cosine, triangular, sawtooth
- User-programmable nonvolatile memory (NVM)
- Internal or power supply as reference
- Wide operating range
- 3V to 5.5V power supply
- -40˚C to +125˚C temperature
Applications
- Tablet (multimedia)
- Chromebook and WOA
- Dashboard camera
- Endoscope
- Analog security camera
- Wireless security camera
Functional Block Diagram
Inilathala: 2024-03-13
| Na-update: 2024-03-21
