Texas Instruments DRV10982-Q1 Sensorless BLDC Motor Driver
Texas Instruments DRV10982-Q1 Sensorless BLDC Motor Driver is a 3-phase sensorless motor driver with integrated power MOSFETs, which can provide continuous drive current up to 2A. The device is specifically designed for cost-sensitive, low-noise, low-external-component-count fan and pump applications.The Texas Instruments DRV10982-Q1 device preserves register setting down to 4.5V and delivers current to the motor with supply voltage as low as 6.2V. If the power supply voltage exceeds 28V, the device stops driving the motor and protects the DRV10982-Q1 circuitry. This function can handle a load dump condition up to 45V.
Features
- Qualified for automotive applications
- AEC-Q100 qualified with the following results
- Device temperature grade 1: –40°C to 125°C ambient operating temperature range
- Device HBM ESD classification level 1C
- Device CDM ESD classification level C4A
- Operation voltage range
- Motor operation, 6.2V to 28V
- Register setting preserved, 4.5V to 45V
- Supports load dump voltage up to 45V
- Total driver H + L rDS(on)
- 300mΩ at TA = 25°C
- 400mΩ at TA = 125°C
- Drive current: 2A continuous winding current (3A Peak)
- Configurable output PWM slew rate and frequency for EMI management
- Sensorless proprietary Back Electromotive Force (BEMF) control scheme (no need for hall sensors)
- Continuous sinusoidal 180° commutation
- Initial position-detect algorithm to avoid backspin during start-up
- No external sense resistor required
- Flexible user interface options
- I2C interface: access registers for command and feedback
- Dedicated SPEED pin: accepts either analog or PWM input
- Dedicated FG pin: provides TACH feedback
- A spin-up profile can be customized with EEPROM
- Forward-reverse control with DIR pin
- Integrated buck converter to efficiently provide 5V and 3.3V LDOs for internal and external circuits
- Supply current 8.5mA with standby version (DRV10982SQ)
- Supply current of 48µA with sleep version (DRV10982Q)
- Protection features
- Overcurrent protection (protection for phase-to-phase, phase-to-GND, and phase-to-VCC shorts
- Lock detection
- Anti-Voltage Surge (AVS) protection
- UVLO protection
- Thermal shutdown protection
- Thermally enhanced package
Features
- Small automotive pumps and fans
- Seat ventilation fans
- Motorcycle fuel pumps
- HEV battery cooling fans
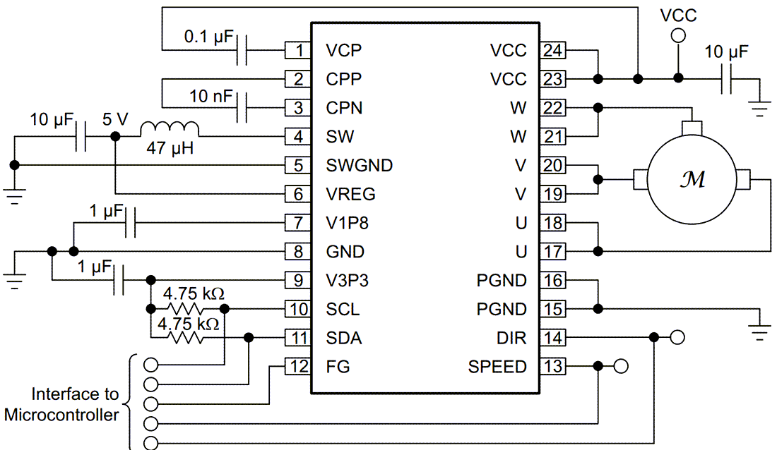
Application Schematic
Inilathala: 2022-04-04
| Na-update: 2022-09-23
