Texas Instruments DRV8312/32 Three Phase Brushless DC Motor Driver
Texas Instruments DRV8312/32 Three Phase Brushless DC Motor Drivers are high-performance, integrated three-phase motor drivers with an advanced protection system. Because of the low RDS(on) of the power MOSFETs and intelligent gate drive design, the efficiency of these motor drivers can be up to 97%, enabling smaller power supplies and heatsinks, and are good candidates for energy-efficient applications. The Texas Instruments DRV8312/32 requires two power supplies, one at 12V for GVDD and VDD and another up to 50V for PVDD. The DRV8312/32 can operate at up to 500kHz switching frequency while maintaining precise control and high efficiency. These devices also have an innovative protection system safeguarding the device against various fault conditions that could damage the system.Features
- High-efficiency power stage (up to 97%) with low RDS(on) MOSFETs (80m at TJ = 25°C)
- Operating supply voltage up to 50V (70V absolute maximum)
- DRV8312 (power pad down): up to 3.5A continuous phase current (6.5A peak)
- DRV8332 (power pad up): up to 8A continuous phase current (13A peak)
- Independent control of three phases
- PWM operating frequency up to 500kHz
- Integrated self-protection circuits, including undervoltage, overtemperature, overload, and short circuit
- Programmable cycle-by-cycle current limit protection
- Independent supply and ground pins for each half-bridge
- Intelligent gate drive and cross-conduction prevention
- No external snubber or Schottky diode is required
Applications
- BLDC motors
- Three-phase permanent magnet synchronous motors
- Inverters
- Half-bridge drivers
- Robotic control systems
Datasheets
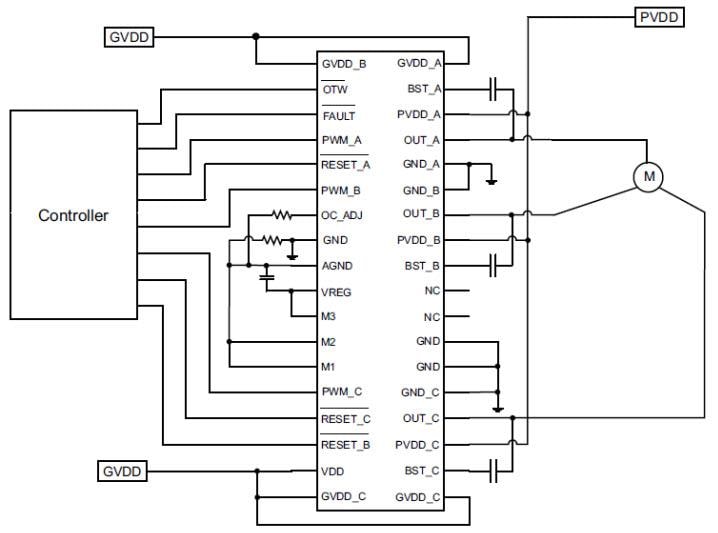
Simplified Application Diagram
Inilathala: 2019-08-06
| Na-update: 2023-10-17
