Texas Instruments DRV8340-Q1 Automotive 3-Phase Smart Gate Drivers
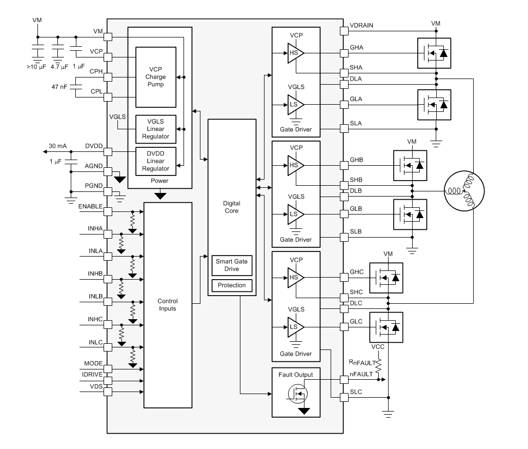
Texas Instruments DRV8340-Q1 Automotive 6 to 60V 3-Phase Smart Gate Drivers provide three half-bridge gate drivers, each capable of driving high-side and low-side N-channel power MOSFETs. The dedicated source and drain pins for solenoid application enable independent MOSFET control. Using an integrated charge pump, the DRV8340-Q1 generates the correct gate drive voltages sufficient for the high-side MOSFETs and a linear regulator for the low-side MOSFETs. The DRV8340-Q1 operates from a single power supply with a wide input range of 5.5V to 60V for the gate driver. The Smart Gate Drive architecture supports peak gate drive currents up to 1A source and 2A. Simple interfacing to controller circuits is via the 6x, 3x, 1x, and independent input PWM modes. The SPI or hardware (H/W) interface configures the gate driver and device settings.The devices include internal protection functions for undervoltage lockout, charge pump fault, MOSFET overcurrent, MOSFET short circuit, phase-node short to supply and ground, gate driver fault, and overtemperature. Low-power sleep mode is used to achieve low quiescent current. Texas Instruments DRV8340-Q1 gate drivers are AEC-Q100 qualified for automotive applications.
Features
- AEC-Q100 qualified for automotive applications
- Temperature grade 1 (–40°C≤ TA ≤+125°C)
- Three independent half-bridge gate driver
- Dedicated source (SHx) and drain (DLx) pins to support independent MOSFET control
- Drives three high-side and three low-side N-channel MOSFETs (NMOS)
- Smart gate drive architecture
- Adjustable slew rate control
- 1.5mA to 1A peak source current
- 3mA to 2A peak sink current
- Charge-pump of gate driver for 100% Duty Cycle
- SPI (S) and hardware (H) interfaces are available
- 6x, 3x, 1x, and independent PWM modes
- Supports 3.3V and 5V logic inputs
- Charge pump output can be used to drive the reverse supply protection MOSFET
- Linear voltage regulator, 3.3V, 30mA
- Integrated protection features
- VM undervoltage lockout (UVLO)
- Charge pump undervoltage (CPUV)
- Short to battery (SHT_BAT)
- Short to ground (SHT_GND)
- MOSFET overcurrent protection (OCP)
- Gate driver fault (GDF)
- Thermal warning and shutdown (OTW/OTSD)
- Fault condition indicator (nFAULT)
Applications
- 12V and 24V automotive motor-control
- BLDC and BDC motor modules
- Fans and blowers
- Fuel and water pumps
- Solenoid drives
Functional Block Diagram
Inilathala: 2019-07-17
| Na-update: 2025-03-06
