Texas Instruments DRV8705-Q1 H-Bridge Smart Gate Driver
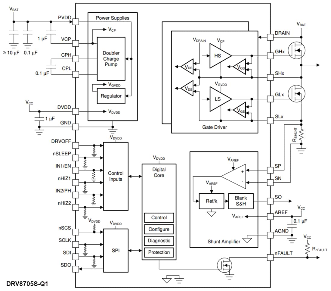
Texas Instruments DRV8705-Q1 H-Bridge Smart Gate Driver is a highly integrated H-bridge gate driver capable of driving high-side and low-side N-channel power MOSFETs. It generates the proper gate drive voltages using an integrated doubler charge pump for the high side and a linear regulator for the low side. The device uses a smart gate-drive architecture to reduce system costs and improve reliability. The gate driver optimizes dead time to avoid shoot-through conditions. It also provides control to decrease electromagnetic interference (EMI) through the adjustable gate drive current and protects against drain to source and gate-short conditions with VDS and VGS monitors.A low side shunt amplifier allows for current sensing to measure motor current and provide feedback to the external controller for current limiting or stall detection. The Texas Instruments DRV8705-Q1 provides an array of protection features to ensure robust system operation. These include under and overvoltage monitors for the power supply and charge pump, VDS overcurrent, and VGS gate fault monitors for the external MOSFETs, offline open load and short circuit diagnostics, and internal thermal warning and shutdown protection.
Features
- AEC-Q100 qualified for automotive applications
- –40°C to +125°C, TA temperature grade 1
- Functional Safety-Capable
- Documentation available to aid functional safety system design
- H-bridge smart gate driver
- 4.9V to 37V (40V abs. max) operating range
- Doubler charge pump for 100% PWM
- Half-bridge and H-bridge control modes
- Pin to pin gate driver variants
- DRV8106-Q1: Half-bridge with an inline amplifier
- DRV8706-Q1: H-bridge with an inline amplifier
- Smart gate drive architecture
- Adjustable slew rate control
- 0.5mA to 62mA peak source current output
- 0.5mA to 62mA peak sink current output
- Integrated dead-time handshaking
- Low-side current shunt amplifier
- Adjustable gain settings (10, 20, 40, 80V/V)
- Integrated feedback resistors
- Adjustable PWM blanking scheme
- Multiple interface options available
- SPI: Detailed configuration and diagnostics
- H/W: Simplified control and fewer MCU pins
- Spread-spectrum clocking for EMI reduction
- Compact VQFN package with wettable flanks
- Integrated protection features
- Dedicated driver disable pin (DRVOFF)
- Supply and regulator voltage monitors
- MOSFET VDS overcurrent monitors
- MOSFET VGS gate fault monitors
- Charge pump for reverse polarity MOSFET
- Offline open load and short circuit diagnostics
- Device thermal warning and shutdown
- Fault condition interrupt pin (nFAULT)
Applications
- Automotive brushed DC motors
- Solenoids and relays
- Power window lift and sliding door
- Power sunroof
- Power seat modules
- Power trunk and lift gate
- BDC fuel, water, oil pumps
- Windshield wipers
DRV8705S Block Diagram
DRV8705H Block Diagram
Inilathala: 2021-05-18
| Na-update: 2022-03-11
