Texas Instruments DRV8884 1.0A Stepper Motor Driver
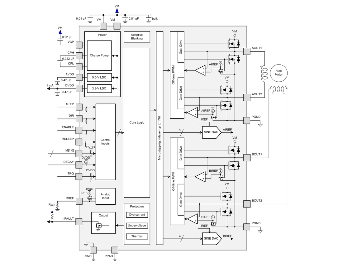
Texas Instruments DRV8884 1.0A Stepper Motor Driver is a stepper motor driver designed for industrial equipment applications. The device has two N-channel power MOSFET H-bridge drivers, a micro-stepping indexer, and an integrated current sense. The DRV8884 is capable of driving up to 1.0A full scale or 0.7Arms output current. The Texas Instruments DRV8884 integrated current sense functionality eliminates the need for two external sense resistors. The STEP/DIR pins provide a simple control interface. The device can be configured in full-step up to 1/16 step modes. A low-power sleep mode is provided for very low quiescent current standby using a dedicated nSLEEP pin.Features
- PWM micro-stepping stepper motor driver
- Up to 1/16 micro-stepping
- Non-circular and standard ½ step modes
- Integrated current sense functionality
- No sense resistors required
- ±6.25% full-scale current accuracy
- Slow and mixed decay options
- 8.0 to 37V operating supply voltage range
- Low RDS(ON): 1.4Ω HS + LS at 24V, 25°C
- High current capacity
- 1.0A full scale per bridge
- 0.7ARMS per bridge
- Fixed off-time PWM chopping
- Simple STEP/DIR interface
- Low-current sleep mode (20μA)
- Small package and footprint
- 24 HTSSOP (PowerPAD)
- Protection features
- VM Undervoltage Lockout (UVLO)
- Charge Pump Undervoltage (CPUV)
- Overcurrent Protection (OCP)
- Thermal Shutdown (TSD)
- Fault condition indication pin (nFAULT)
Applications
- Multi-function printers and scanners
- Laser beam printers
- 3D printers
- Automatic teller and money handling machines
- Video security cameras
- Office automation machines
- Factory automation and robotics
Functional Diagram
Inilathala: 2016-07-01
| Na-update: 2022-03-11
