Texas Instruments LM5122EVM-2PH Controller Evaluation Module (EVM)
Texas Instruments LM5122EVM-2PH Controller Evaluation Module (EVM) provides the design engineer with a fully functional dual-phase synchronous boost converter to evaluate the LM5122. The LM5122 is a 3-65V Wide Vin current mode synchronous boost controller with multi-phase capability. The evaluation module provides 28V output at up to 7A current from a 9V to 20V input. The Texas Instruments LM5122EVM-2PH is designed to start up from a single power supply without any additional bias voltage.Features
- 9V to 20V input range
- 28V/7.0A output
- 250kHz switching frequency
- Pulse skipping at light load
- Dual-phase interleaved operation
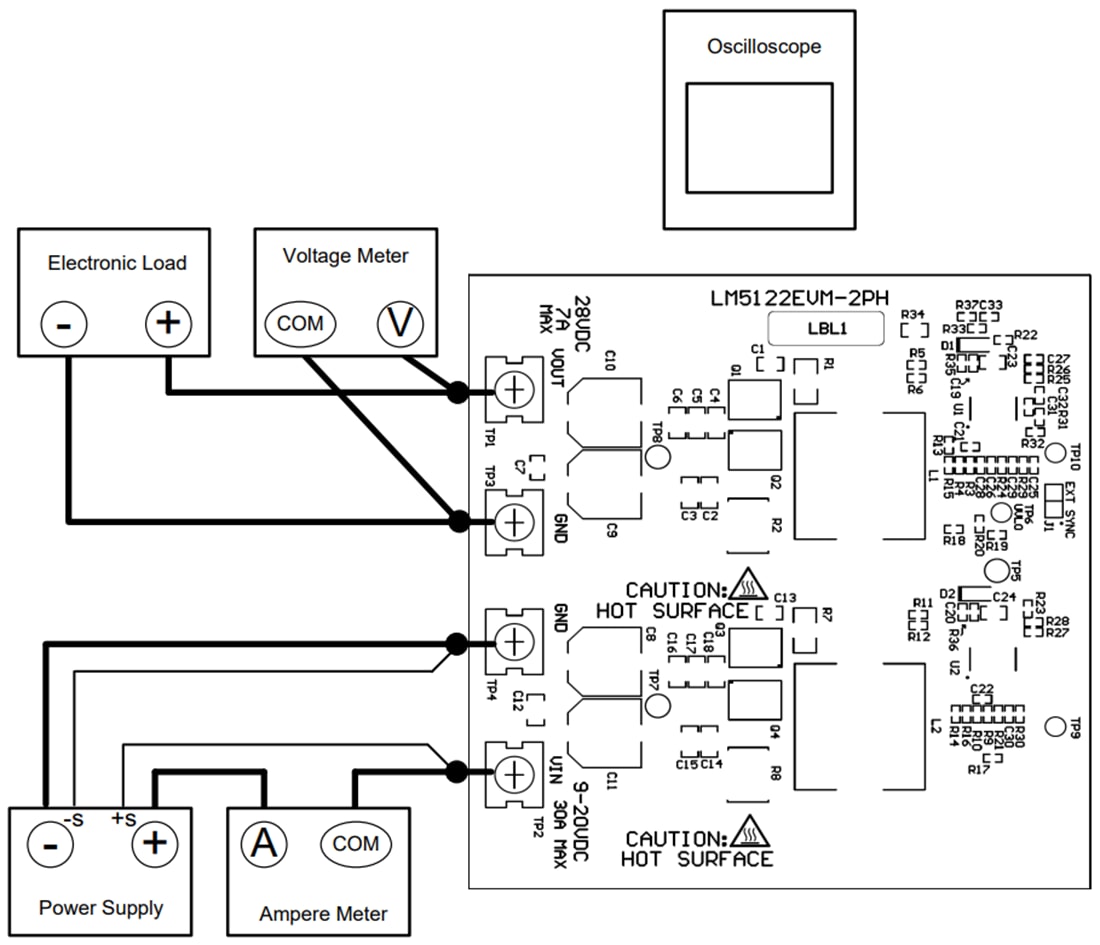
Required Equipment
- Power Supply
- The power supply should be capable of 20V/25A, current monitoring, and remote sensing
- Electronic Load
- The electronic load should be capable of 32V/7A (use Constant Current (CC) mode)
- Oscilloscope
- Oscilloscope and 10x probe with at least 20MHz bandwidth are required
- Meters
- One current meter is required to measure input current accurately
- The maximum current rating of the meter should be carefully considered
- The input current can be as high as 25A at full load current and minimum input voltage
- The output voltage is monitored by a voltage meter which should be capable of monitoring up to 32V
Test Setup
Inilathala: 2016-08-17
| Na-update: 2022-03-11
