Texas Instruments LM51772 Four Switch Buck-Boost Controller
Texas Instruments LM51772 Four Switch Buck-Boost Controller provides a regulated output voltage if the input voltage is higher, equal, or lower than the adjusted output voltage. In power save mode, the device supports a very high efficiency over the entire operation range of the output. The LM51772 runs at a fixed switching frequency, which can be set via the RT/SYNC pin. In forced PWM, the switching frequency remains constant during buck, boost, and buck-boost operation. The external compensation pin allows a very fast transient response for different applications. The device maintains a small mode transition ripple overall operating modes. The output voltage and device configurations can be dynamically programmed via the integrated I2C interface. The integrated and optional high-side current sensor features an accurate output or input current limitation. The average current limit of the Texas Instruments LM51772 is also configurable through the I2C interface.Features
- Input range from 0V (V(BIAS) ≥ 3.5V) to 55V
- Output voltage 1V to 55V
- Dynamical Vo programming via I2C from
- 3.3V up to 48V in 20mV monotonous steps
- 1V up to 24V in 10mV monotonous steps
- Peak current regulation control
- Small voltage transition ripple overall operating modes
- Dynamic output voltage tracking (digital PWM tracking input, analog tracking input)
- Via I2C interface programming
- Shut down quiescent current 3µA
- Operating quiescent current 60µA
- DRV pin for external FET control
- Operation mode selection for high efficiency in light load and high load conditions
- Power save mode (burst/µSleep)
- Automatic/programmable conduction mode
- Integrated high voltage supply LDO
- Auxiliary high voltage LDO/reference
- Integrated full-bridge gate drive
- 2A peak current capability
- Bootstrap over and under-voltage protection
- Integrated bootstrap diode
- Fixed frequency independent from operating mode (boost, buck-boost, buck)
- Forced PWM mode selectable
- Switching frequency from 100kHz to 2.2MHz
- External clock synchronization and clock output
- Spread spectrum operation selectable
- Average input or output current sensor
- Programmable from 0.5A (5mV) to 7A (70mV) in 50mA (500µV) steps
- ISET pin selectable
- I2C interface readout of monitoring features
Applications
- USB Type-C™ power delivery (docking station, PC monitor, desktop PC)
- Wireless charging
- Industrial PC/rugged PC
- Battery backup unit
- Merchant DC/DC
- Avionics/marine sonar
- Off-highway vehicle
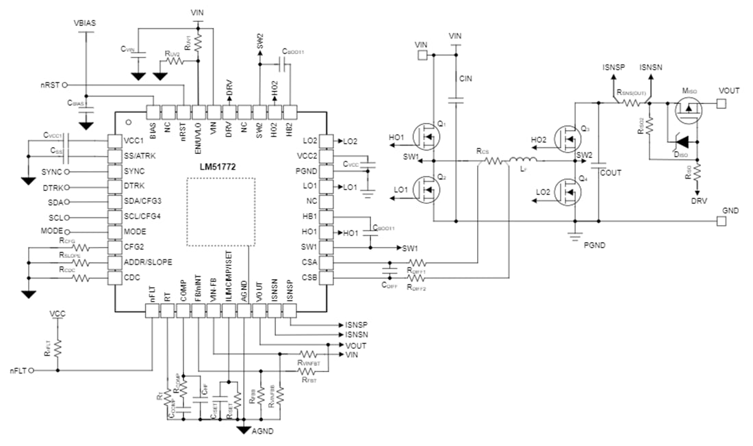
Typical Application Schematic
Inilathala: 2024-08-16
| Na-update: 2024-08-26
