Texas Instruments LM62435-Q1 Synchronous Step-Down Converters

Texas Instruments LM62435-Q1 Synchronous Step-Down Converters are automotive-focused, high-performance DC-DC synchronous step-down converters. With integrated high-side and low-side MOSFETs, up to 3.5A output current is delivered over a wide input range of 3.0V to 36V; 42V tolerance supports load dump for 400ms. The Texas Instruments LM62435-Q1 implements soft recovery from dropout, eliminating overshoot on the output.

The LM62435-Q1 is specifically designed for minimal EMI. The device incorporates a pseudo-random spread spectrum, adjustable SW node rise time, a low-EMI VQFN-HR package featuring low switch node ringing, and optimized pinout for ease of use. The switching frequency can be synchronized between 200kHz and 2.2MHz to avoid noise-sensitive frequency bands. Also, the frequency can be selected for improved efficiency at a low operating frequency or a smaller solution size at a high operating frequency.

Auto-mode enables frequency foldback when operating at light loads, allowing an unloaded current consumption of only 7µA (typical) and high light-load efficiency. Seamless transition between PWM and PFM modes, along with very low MOSFET ON resistances and an external bias input, ensures exceptional efficiency across the entire load range.

Features

  • AEC-Q100 qualified for automotive applications
    • –40°C to +150°C, TJ temperature grade 1
  • Functional safety-capable
    • Documentation available to aid functional safety system design
  • Optimized for ultra-low EMI requirements
    • Hotrod™ package and parallel input path minimize switch node ringing
    • Spread spectrum reduces peak emissions
    • Adjustable SW node rise time
    • Pin selectable FPWM mode for a constant frequency at light loads
  • Designed for automotive applications
    • Supports 42V automotive load dump
    • ±1% total output regulation accuracy
    • VOUT adjustable from 1V to 95% of VIN, with factory options for 5V and 3.3V fixed output voltage
  • High-efficiency power conversion at all loads
    • 7µA no-load current at 13.5 VIN, 3.3 VOUT
    • 83% PFM efficiency at 1mA, 13.5 VIN, 5 VOUT
    • External bias option for improved efficiency
  • Suitable for scalable power supplies
    • Pin compatible with
      • LM62440-Q1 (36V, 4A, fixed fSW)
      • LM61460-Q1 (36V, 6A, adjustable fSW)

Applications

  • Automotive infotainment and cluster (head unit, media hub, USB charge, display)
  • Automotive ADAS and body electronics

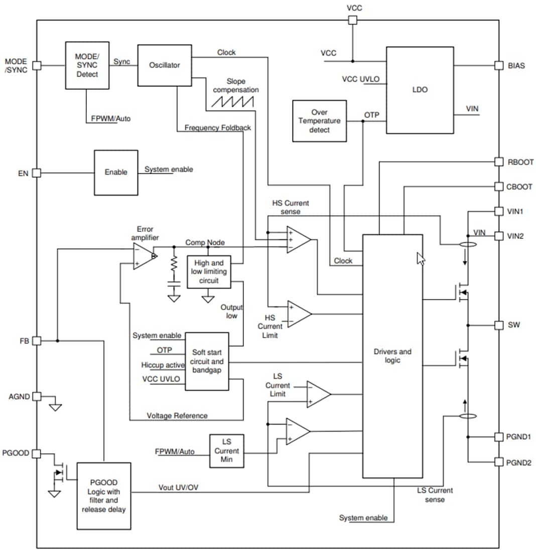
Functional Block Diagram

Block Diagram - Texas Instruments LM62435-Q1 Synchronous Step-Down Converters
Inilathala: 2020-07-13 | Na-update: 2025-03-06