Texas Instruments LM656x5/LM656x5-Q1 Synchronous Buck Converters
Texas Instruments LM656x5/LM656x5-Q1 Synchronous Buck Converters are designed for high efficiency, high-power density, and ultra-low electromagnetic interference (EMI). The converters operate over a wide input voltage range of 3V to 65V (70V transient <100ms), reducing the need for external input surge protection. The LM656x5/LM656x5-Q1 has pin-selectable fixed output voltages of 3.3V and 5V, or in an adjustable configuration. The low EMI operation is enabled with minimized loop inductance and optimized switch node slew rate. A pin-selectable ±5% or ±10% dual-random spread spectrum (DRSS) significantly reduces peak emissions through triangular and pseudo-random modulation while keeping output voltage ripple very low. The current-mode control architecture with a 30ns typical minimum on-time allows high conversion ratios at high frequencies, coupled with a fast transient response and excellent load and line regulation. The Texas Instruments LM656x5-Q1 devices are AEC-Q100 qualified for automotive applications.Features
- Wide input voltage range of 3V to 65V (70V transient <100ms) and meets LV148/ISO21780 requirements
- Designed for low EMI requirements
- Facilitates CISPR 11 class B compliance
- Mode pin configurable ±5% or ±10% dual-random spread spectrum reducing peak emissions
- Enhanced HotRod™ QFN package with symmetrical pinout
- Switching frequency from 300kHz to 2.2MHz
- Pin-configurable AUTO or FPWM operation
- Internal compensation, current limit, and TSD
- Low minimum on time of 40ns (max.) enables 36VIN to 3.3VOUT conversion at 2.2MHz
- High-efficiency power conversion at all loads
- > 94% peak efficiency at 24VIN, 5VOUT, 400kHz
- 2.5µA switching input current at no load
- High power density
- 3.6mm × 2.6mm, wettable flank, 20-pin package
- Pin compatible with 36V 4/6/8A LM654x0-Q1
- ϴJA = 24.0°C/W (LM65645EVM)
Applications
- Industrial transport systems
- Factory automation and control systems
- Medical imaging systems
- Advanced driver assistance systems (ADAS) (LM656x5-Q1)
- Automotive infotainment and cluster (LM656x5-Q1)
- Hybrid, electric, and powertrain systems (LM656x5-Q1)
Datasheets
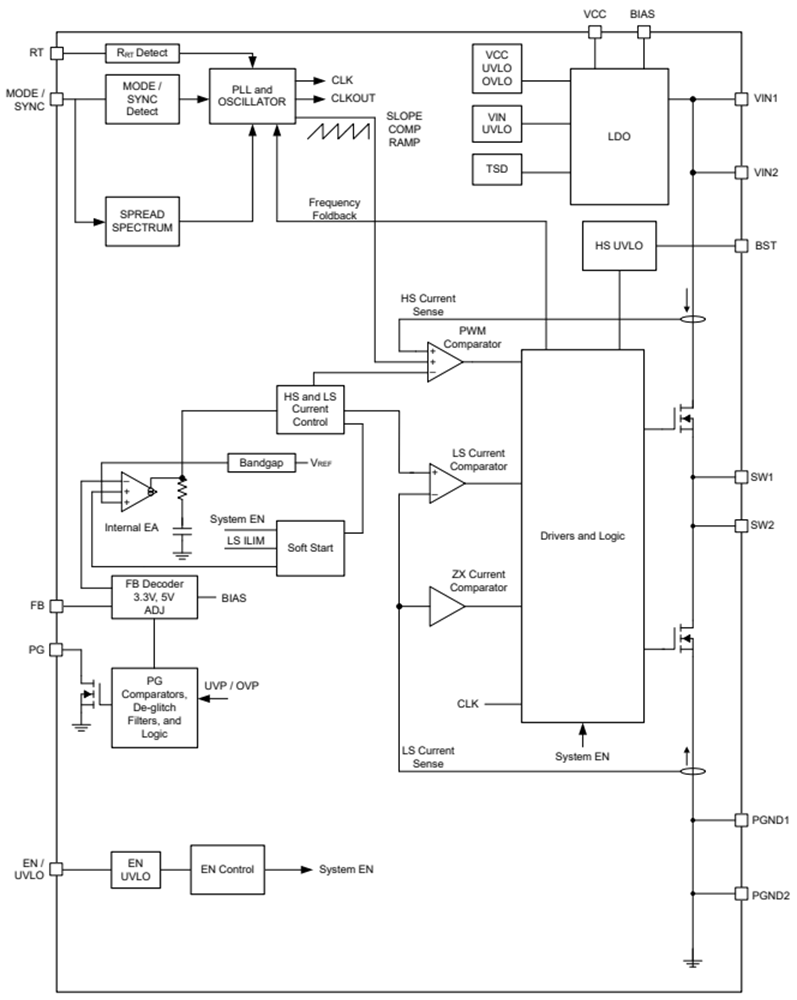
Functional Block Diagram
Inilathala: 2025-08-27
| Na-update: 2025-09-09
