Texas Instruments LM66100/LM66100-Q1 ±6V Low IQ Ideal Diodes
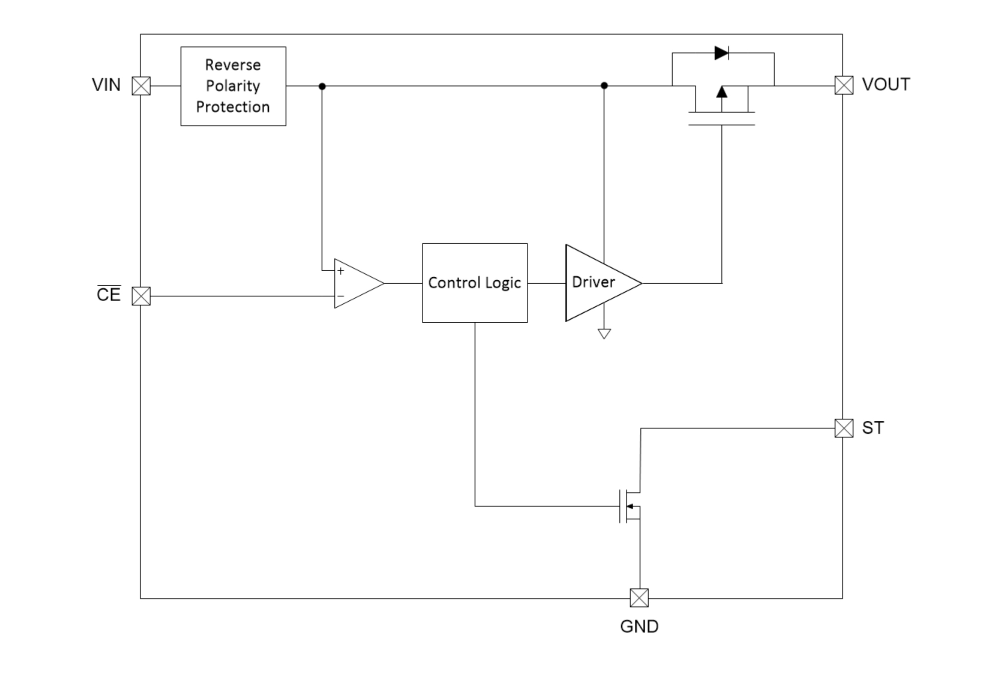
Texas Instruments LM66100/LM66100-Q1 ±6V Low IQ Ideal Diodes offer integrated Single-Input, Single-Output (SISO) and are well suited for various applications. The LM66100/LM66100-Q1 incorporates a P-channel MOSFET that can operate over an input voltage range of 1.5V to 5.5V and support a maximum continuous current of 1.5A.Two LM66100/LM66100-Q1 Low IQ Ideal Diodes can be used in an ORing configuration similar to a dual diode ORing implementation. This configuration allows the LM66100/LM66100-Q1 to pass the highest input voltage to the output while blocking reverse current flow into the input supplies. The LM66100/LM66100-Q1 Ideal Diodes can compare input and output voltages to ensure that reverse current is blocked through an internal voltage comparator.
The Texas Instruments LM66100/LM66100-Q1 operates over a junction temperature range of –40°C to 125°C and is available in a standard SC-70 package.
Features
- AEC-Q100 qualified for automotive applications (LM66100-Q1)
- Device temperature grade 1 (–40°C to 125°C ambient operating temperature range)
- 1.5V – 5.5V wide operating voltage range
- –6V absolute maximum reverse voltage standoff on VIN
- 1.5A Maximum continuous current (IMAX)
- On-Resistance (RON)
- 5V VIN = 79mΩ (typical)
- 3.6V VIN = 91mΩ (typical)
- 1.8V VIN = 141mΩ (typical)
- Comparator chip enable (CE)
- Channel status indication (ST)
- Low current consumption
- 3.6V VIN Shutdown current (ISD,VIN): 120nA (typical)
- 3.6V VIN Quiescent current (IQ, VIN): 150nA (typical)
Applications
- Smart meters
- Building automation
- GPS and tracking
- Primary and backup batteries
Functional Diagram
Inilathala: 2019-07-24
| Na-update: 2023-10-09
