Texas Instruments LMR60406-Q1 Synchronous Buck Converter
Texas Instruments LMR60406-Q1 Synchronous Buck Converter is an automotive 36V, 0.6A converter with low EMI, high-efficiency, and minimized capacitance output. This buck converter operates from 200kHz to 2.2MHz with a programmable switching frequency range. The LMR60406-Q1 DC-DC converter is designed to step down a higher input voltage to a lower, regulated output voltage efficiently. This converter offers variants with spread spectrum in an ultra-compact, 2.5mm x 2mm, HotRod QFN-9 package, with wettable flanks available. The LMR60406-Q1 device is AEC-Q100 qualified for automotive applications. This LMR60406-Q1 converter is suitable for automotive infotainment and cluster, automotive driver assistance systems, and automotive body requirements.Features
- Functional safety-capable documentation is available to aid in functional safety system design
- AEC-Q100 qualified for automotive applications
- -40°C to 125°C ambient operating temperature range, device temperature grade 1
- 3V to 36V (42V absolute maximum) wide operating input voltage range
- Pin programmable output voltage options available in fixed 3.3V/ADJ and 5V/ADJ
- 1V to 20V adjustable output voltage range
- 30ns (typical) low minimum on time tON
- Optimized for low Electromagnetic Interference (EMI) requirements:
- Low inductance HotRod™ QFN package
- Advanced spread-spectrum options are available
- 200kHz to 2.2MHz programmable switching frequency range
- FPWM, PFM, or external frequency synchronization available
- Ultra-low quiescent current:
- 0.65μA shutdown current
- 5μA standby current
- Designed for scalable power supplies:
- Pin compatible with LMR60410-Q1, LMR60420-Q1, LMR60430-Q1, and LMR60440-Q1
- Power-Good output for power sequencing
Applications
- Automotive infotainment and cluster
- Automotive driver assistance systems
- Automotive body requirements
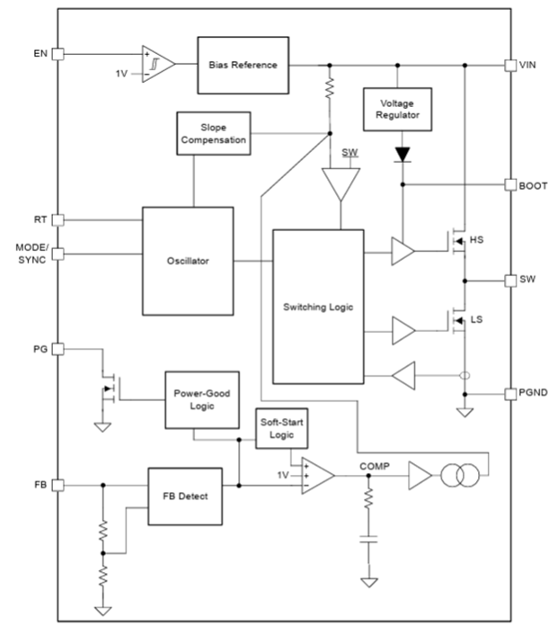
Block Diagram
Inilathala: 2025-09-19
| Na-update: 2025-09-30
