Texas Instruments LP873220/LP873220-Q1 Converters & Regulators
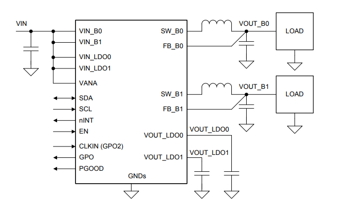
Texas Instruments LP873220/LP873220-Q1 Dual High-Current Buck Converters and Linear Regulators are ideal for meeting automotive camera and radar application requirements. The LP873220/LP873220-Q1 consists of two step-down DC-DC converters, two linear regulators, and general-purpose digital-output signals. The device supports load-current measurement without the addition of external current-sense resistors. Features include an input voltage of 2.8V to 5.5V, a configurable general-purpose output signal (GPO, GPO2), and an operating temperature range of –40°C to +125°C. The LP873220/LP873220-Q1 devices are AEC-Q100 qualified for automotive applications.The LP873220/LP873220-Q1 is controlled by an I2C-compatible serial interface and by an enable signal. An automatic PWM/PFM (AUTO mode) operation gives high efficiency over a wide output current range. The device improves the accuracy of the output voltage by remote voltage sensing, compensating for the IR drop between the regulator output and the point-of-load (POL). The switching clock can be forced to PWM mode and also synchronized to an external clock to minimize the disturbances.
Features
- 2.8V to 5.5V Input voltage
- Two high-efficiency step-down DC-DC converters:
- 0.7V to 3.36V Output voltage
- Maximum output current 2A
- Programmable output-voltage slew rate from 0.5mV/µs to 10mV/µs
- 2MHz Switching frequency
- Spread-spectrum mode and phase interleaving for EMI reduction
- Two linear regulators:
- 2.5V to 5.5V Input voltage
- 0.8V to 3.3V Output voltage
- Maximum output current 300mA
- Configurable General-Purpose Output Signals (GPO, GPO2)
- Interrupt function with programmable masking
- Programmable Power-Good Signal (PGOOD)
- Output short-circuit and overload protection
- Overtemperature warning and protection
- Overvoltage Protection (OVP) and Undervoltage Lockout (UVLO)
- 28-pin, 5mm × 5mm VQFN Package with wettable flanks
- (LP873220-Q1) AEC-Q100 Qualified with the following results:
- Device Temperature Grade 1 at –40°C to +125°C Ambient operating temperature
Applications
- Automotive head unit and cluster
- Automotive camera module
- Surround view system ECU
- Radar system ECU
- Automotive display
Datasheets
Schematic
Inilathala: 2018-11-15
| Na-update: 2023-07-19
