Texas Instruments LP8872-Q1 LED-Backlight Driver
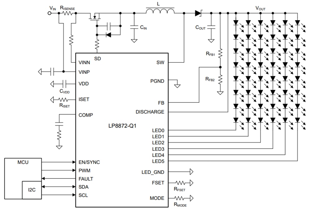
Texas Instruments LP8872-Q1 LED-Backlight Driver is an automotive high-efficiency, low-EMI, and easy-to-use LED driver with an integrated DC-DC power switch. The DC-DC converter supports both SEPIC and boost topology configurations. The six high-precision current sinks support PWM phase shifting, which is automatically adjusted based on the number of channels used. The I2C interface or PWM input can control the LED brightness globally.The boost converter has adaptive output voltage control based on the headroom voltages of the LED current sinks. This feature minimizes power consumption by adjusting the boost voltage to the lowest sufficient level in all conditions. The Texas Instruments LP8872-Q1 supports built-in analog current dimming and hybrid PWM dimming, which reduces EMI, increases the total optical efficiency, and extends the LED lifetime.
Features
- AEC-Q100 qualified for automotive applications with a device temperature grade 1 of –40°C to +125°C, TA
- Input voltage operating range of 3V to 48V
- Six high-precision current sinks
- Up to 150mA DC current for each channel
- Current matching 1% (typical)
- High dimming ratio of 32000:1 using 152Hz LED output PWM frequency
- Up to 16-bit LED PWM dimming resolution with I2C, or PWM input
- Support independent PWM dimming control for each channel
- Up to 48V VOUT boost or SEPIC DC-DC converter
- Integrated 5.4A switching FET
- Support boost/sepic operation
- Higher efficiency with 60mΩ RDSON and fast switching
- Boost selectable dual random spread spectrum for reduced EMI
- Adjustable soft start of a converter
- Boost sync input to set the boost switching frequency from an external clock
- Output voltage automatically discharged when boost is disabled
- Auto-phase shift PWM dimming and direct PWM dimming
- Hybrid dimming and 12-bit analog dimming
- Extensive fault detection and protection
- Up to 1MHz I2C control interface with CRC check
- Bit-integrity (CRC) error detection on internal configuration registers and non-volatile memory (NVM)
- Input voltage OVP, UVLO, and OCP
- Boost overcurrent and overvoltage protection
- LED open, short, and short to ground fault detection
- Thermal warning and thermal shutdown
- Small solution size and low cost
- Dynamically programmable wide switching frequency from 100kHz to 2.2MHz
- Available in 4mm × 4mm HotRod™ QFN package with wettable flank
Applications
- Backlight for
- Automotive infotainment and clusters
- Smart mirrors
- Central Information Display (CID)
- Head-up display (HUD)
- Camera monitoring systems
Simplified Schematic
Inilathala: 2025-09-17
| Na-update: 2025-09-28
