Texas Instruments OPA164x/OPA164x-Q1 SoundPlus™ Audio Op Amps
Texas Instruments OPA164x/OPA164x-Q1 SoundPlus™ JFET-input, ultra-low distortion, low-noise op amps are fully specified for audio applications. OPA164x/OPA164x-Q1 op amps offer superior sound quality and rail-to-rail output swing that allows for increased headroom, making these devices ideal for any audio circuit. The OPA164x/OPA164x-Q1 op amps operate over a very wide supply voltage range of ±2.25V to ±18V. The OPA164x/OPA164x-Q1 are utility-gain stable and provide excellent dynamic behavior over a wide range of load conditions. These op amps are ideal for professional audio equipment, analog and digital mixing consoles, broadcast studio equipment, high-end A/V receivers, and high-end Blu-Ray™ players. The Texas Instruments OPA164x-Q1 devices are AEC-Q100 qualified for automotive applications.Features
- Superior sound quality
- True JFET input op amp with low input bias current
- 5.1nv/√Hz at 1kHz low noise
- 0.00005% at 1kHz ultra-low distortion
- 20v/µs high slew rate
- Unity gain stable
- No phase reversal
- 1.8mA per channel low quiescent current
- Rail-to-rail output
- ±2.25V to ±18V wide supply range
- Single, dual, and quad versions available
Applications
- Professional audio equipment
- Analog and digital mixing consoles
- Broadcast studio equipment
- High-end A/V receivers
- High-end Blu-ray™ players
Datasheets
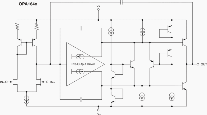
Functional Block Diagram
Inilathala: 2010-02-03
| Na-update: 2024-10-03
