Texas Instruments SN74AHCT595/SN74AHCT595-Q1 8-Bit Shift Registers
Texas Instruments SN74AHCT595/SN74AHCT595-Q1 8-Bit Shift Registers feature an 8-bit serial-in, parallel-out shift register that provides an 8-bit D-type storage register. The shift register clock (SRCLK) and storage register clock (RCLK) are positive-edge triggered. The TI SN74AHCT595-Q1 is AEC-Q100 qualified for automotive applications.Features
- AEC-Q100 qualified for automotive applications (SN74AHCT595-Q1):
- Device temperature grade 1 of -40°C to +125°C
- Device HBM ESD classification level 2
- Device CDM ESD classification level C4B
- Available in wettable flank QFN package
- Operating range 4.5V to 5.5V VCC
- TTL-compatible inputs
- Low delay, 6ns typ (25°C, 5V)
- Latch-up performance exceeds 250mA per JESD 17
Applications
- Network switches
- Power infrastructures
- PCs and notebooks
- LED displays
- Servers
Datasheets
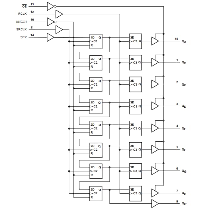
Simplified Schematic
Additional Resource
Inilathala: 2024-07-19
| Na-update: 2025-05-08
