Texas Instruments SN74HC595B 8-Bit Shift Registers
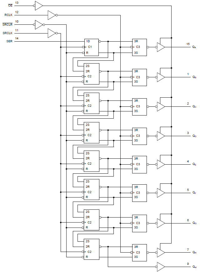
Texas Instruments SN74HC595B 8-Bit Shift Registers contain an 8-bit, serial-in, parallel-out shift register that feeds an 8-bit D-type storage register. The storage register has parallel 3-state outputs. Separate clocks are provided for both the shift register and storage register. The Texas Instruments SN74HC595B has a direct overriding clear (SRCLR) input, serial (SER) input, and serial outputs for cascading. When the output-enable (OE) input is high, all outputs are in the high-impedance state except QH.Features
- 8-bit serial-In, parallel-out shift registers
- Available in ultra-small logic QFN package (0.5mm max height)
- Over-voltage tolerant on inputs independent of VCC
- Wide operating voltage range of 2V to 6V
- High-current 3-state outputs can drive up to 15 LSTTL loads
- 80µA (max.) ICC low power consumption
- tpd = 13ns (typ.)
- ±6mA output drive at 5V
- 1µA (max.) low input current
- The shift register has direct clear
- -55°C to 125°C operating temperature
Applications
- Network switches
- Factory automation
- Mobile wearables
- Industrial building automation
- Power infrastructure
- LED displays
- Servers
Functional Block Diagram
Inilathala: 2016-05-31
| Na-update: 2025-05-05
