Texas Instruments TCAN1473A-Q1 Automotive CAN Interface IC

Texas Instruments TCAN1473A-Q1 Automotive CAN Interface IC is a signal-improvement-capable CAN FD transceiver with sleep mode that meets the physical-layer requirements of the ISO 11898-2:2024. This interface IC features a Sleep Wake Error (SWE) timer that enables a safe transition to sleep mode after 4 minutes (tINACTIVE) of inactivity in standby mode. The TCAN1473A-Q1 CAN interface IC operates in normal, silent, standby, and low-power sleep modes, supporting remote and local wake-up. This CAN interface IC supports level-shifting I/O at 1.7V to 5.5V. The TCAN1473A-Q1 IC is available in 14-pin leaded (SOT and SOIC) and leadless (VSON) packages with wettable flanks for improved Automated Optical Inspection (AOI) capability. The TCAN1473A-Q1 device is AEC-Q100 qualified for automotive applications. This interface IC is ideal for body electronics and lighting,  automotive gateway, Advanced Driver Assistance Systems (ADAS), infotainment and cluster, hybrid, electric and powertrain systems, electric bikes, and industrial transportation.

Features

  • AEC-Q100 qualified for automotive applications
  • Functional safety-capable
  • Documentation available to aid in functional safety system design
  • Implements Signal Improvement Capability (SIC) as defined in ISO 11898-2:2024:
    • Actively improves the bus signal by eliminating ringing and enhancing bit symmetry
    • Backward compatible for use in classic CAN networks
  • Wide input operational voltage range
  • Supports classic CAN and CAN FD up to 8Mbps
  • 1.7V to 5.5V VIO level shifting supports
  • Operating modes:
    • Normal mode
    • Silent mode
    • Standby mode
    • Low-power sleep mode supporting remote and local wake-up
  • High-voltage INH output for system power control
  • INH_MASK pin to keep INH disabled during spurious wake-up events
  • Local wake-up support via the WAKE pin
  • Sleep Wake Error (SWE) timer enables safe transition from standby mode to sleep mode in the event of a system power failure or software fault
  • Allows for extended power-up time
  • Defined behavior when unpowered
  • Bus and IO terminals are high impedance
  • Protection features:
    • ±58V CAN bus fault-tolerant
    • Load dump support on VSUP
    • IEC ESD protection
    • Undervoltage protection
    • Thermal shutdown protection
    • TXD dominant state timeout (TXD DTO)
  • Available in 14-pin leaded (SOT and SOIC) packages and leadless (VSON) packages with wettable flanks for improved Automated Optical Inspection (AOI) capability

Applications

  • Body electronics and lighting
  • Automotive gateway
  • Advanced Driver Assistance Systems (ADAS)
  • Infotainment and cluster
  • Hybrid, electric, and powertrain systems
  • Personal transport vehicles and electric bikes
  • Industrial transportation

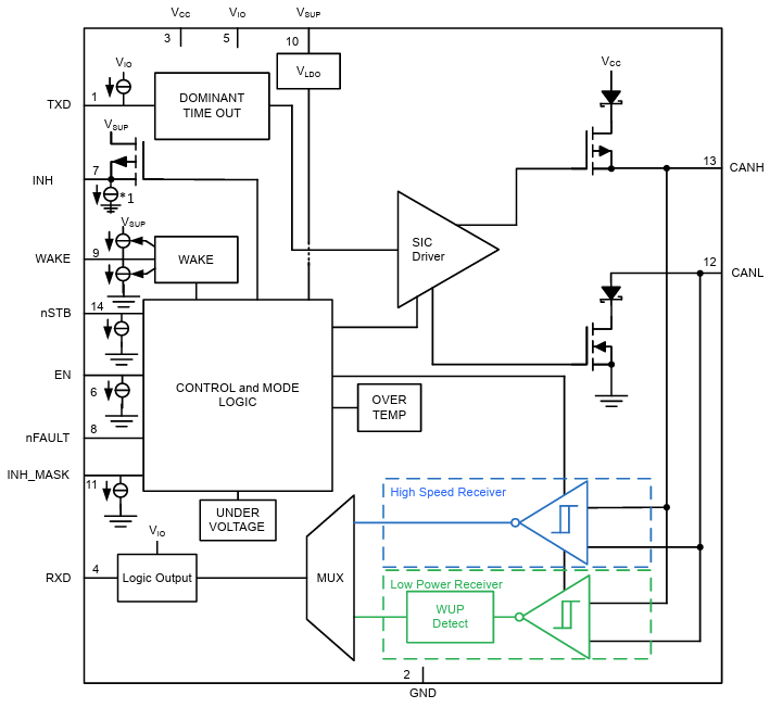
Block Diagram

Block Diagram - Texas Instruments TCAN1473A-Q1 Automotive CAN Interface IC

Schematic

Schematic - Texas Instruments TCAN1473A-Q1 Automotive CAN Interface IC
Inilathala: 2026-02-02 | Na-update: 2026-03-08