Texas Instruments THVD24xV RS-422/RS-485 Transceivers
Texas Instruments THVD24xV RS-422/RS-485 Transceivers are half- and full-duplex RS-422/RS-485 transceivers that are ±70V fault-protected. These devices use a 3V to 5.5V bus-side supply and a 1.65V to 5.5V supply for the logic signal interface. These devices have a slew rate select feature that enables them to be used at two maximum speeds based on the SLR pin setting. The THVD24xVDRCR-EP devices have gold bondwires, a temperature range of -55 to 105°C, and include an SnPb lead finish.These Texas Instruments THVD24xV devices eliminate the need for external system-level protection components by featuring integrated IEC ESD protection. Reliable data communication over longer cable run lengths in the presence of large ground loop voltages is available because of an extended ±25V input common-mode range. The enhanced 250mV receiver hysteresis provides high noise rejection. In addition, the receiver fail-safe feature ensures a logic high when the inputs are open or shorted together.
Features
- Meets or exceeds the requirements of the TIA/EIA-485A and TIA/EIA-422B standards
- 3V to 5.5V RS-485 supply voltage
- Differential output exceeds 2.1V for PROFIBUS compatibility with a 5V supply
- 1.65V to 5.5V Supply for logic signal interface
- SLR pin selectable data rates:
- THVD2410V, THVD2412V: 250kbps and 1Mbps
- THVD2450V, THVD2452V: 20Mbps and 50Mbps
- THVD2410V-EP: 250kbps and 1Mbps
- THVD2450V-EP: 20Mbps and 50Mbps
- Bus I/O protection:
- ±70V DC bus fault
- ±16kV HBM ESD
- Half duplex devices: ±15kV/±12kV (EP parts) IEC 61000-4-2 contact and air-gap discharge
- Full duplex devices: ±8kV/±12kV (EP parts) IEC 61000-4-2 contact and air-gap discharge
- ±4kV IEC 61000-4-4 fast transient burst
- Half-duplex and full-duplex devices are available in two-speed grades
- Enhanced receiver hysteresis for noise immunity
- Low power consumption:
- < 5µA low shutdown supply current
- < 5.3mA quiescent current during operation
- For THVD24xV-EP:
- <1µA low shutdown supply current
- <5.6mA current during operation
- Glitch-free power-up/down for hot plug-in capability
- Open, short, and idle bus failsafe
- Thermal shutdown
- 1/8 unit load (up to 256 bus nodes) in -7V to 12V common mode range
- Small 3mm x 3mm VSON package to save board space, or 14-SOIC for drop-in compatibility
Applications
- Motor drives
- Factory automation and control
- HVAC systems
- Building automation
- Grid infrastructure
- Electricity meters
- Process analytics
- Video surveillance
Additional Resources
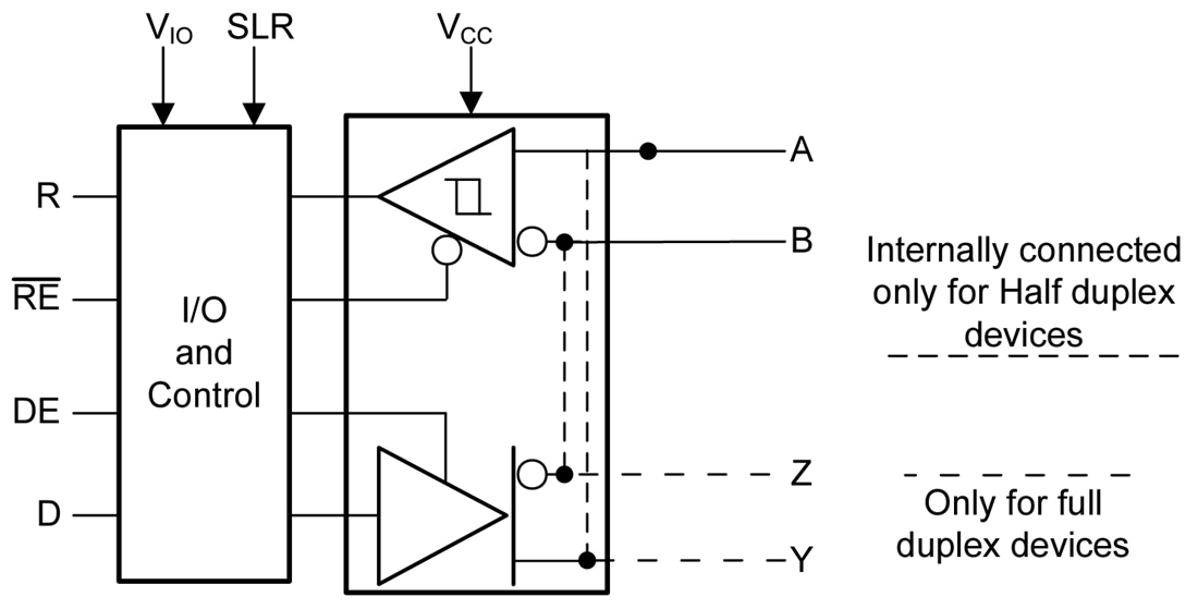
Functional Block Diagram
Inilathala: 2024-05-31
| Na-update: 2024-07-22
