Texas Instruments TMUXHS4412EVM Evaluation Module
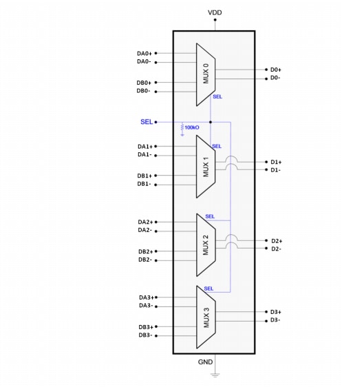
Texas Instruments TMUXHS4412EVM Evaluation Module allows users to evaluate the high-speed bidirectional passive switching for USB Type-C™ mux or demux applications supporting USB 3.x Gen 1/2 data rates. The TI TMUXHS4412EVM Evaluation Module is also compatible with MIPI® DSI/CSI, LVDS, and PCI Express® Gen 1/2/3/4 interface standards.The TMUXHS4412 is a 4-channel high-speed mux/demux switch that is compatible with any high-speed interface with a differential amplitude <1800mVpp and a common-mode voltage <2V.
Block Diagram
Layout
Inilathala: 2021-01-05
| Na-update: 2022-03-11
