Texas Instruments TPD4E001 ESD Protection Arrays
Texas Instruments TPD4E001 ESD Protection Arrays are four-channel transient voltage suppressor (TVS) based electrostatic discharge (ESD) protection diode arrays. The TPD4E001 is rated to dissipate ESD strikes at the maximum level specified in the IEC 61000-4-2 international standard (Level 4). The TPD4E001 arrays have a 1.5pF IO capacitance per channel, making it ideal for high-speed data IO interfaces. The ultra-low leakage current (<1nA maximum) is suitable for precision analog measurements in applications like glucose meters and heart rate monitors.The Texas Instruments TPD4E001 ESD Protection Arrays are available in DRL (SOT), DBV (SOT-23), DCK (SC-70), DRS (QFN), and DPK (PUSON) packages and are specified for –40°C to +85°C operation.
Features
- IEC 61000-4-2 ESD protection (Level 4)
- ±8kV contact discharge
- ±15kV air-gap discharge
- 5.5A peak pulse current (8/20µs pulse)
- 1.5pF (typical) IO capacitance
- 1nA (maximum) low leakage current
Applications
- USB 2.0
- Ethernet
- FireWire™ serial bus
- LVDS
- SVGA video connections
- Glucose meters
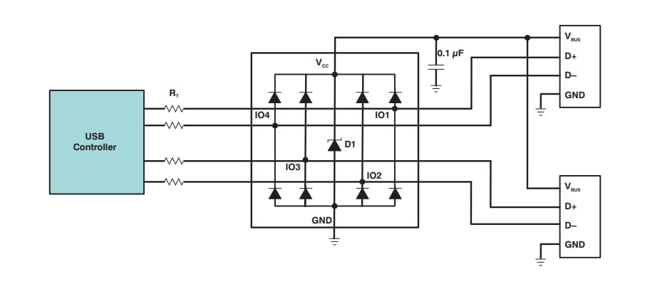
Application Schematic
Inilathala: 2019-10-15
| Na-update: 2024-08-10
