Texas Instruments TPS22998 Single-Channel Load Switch
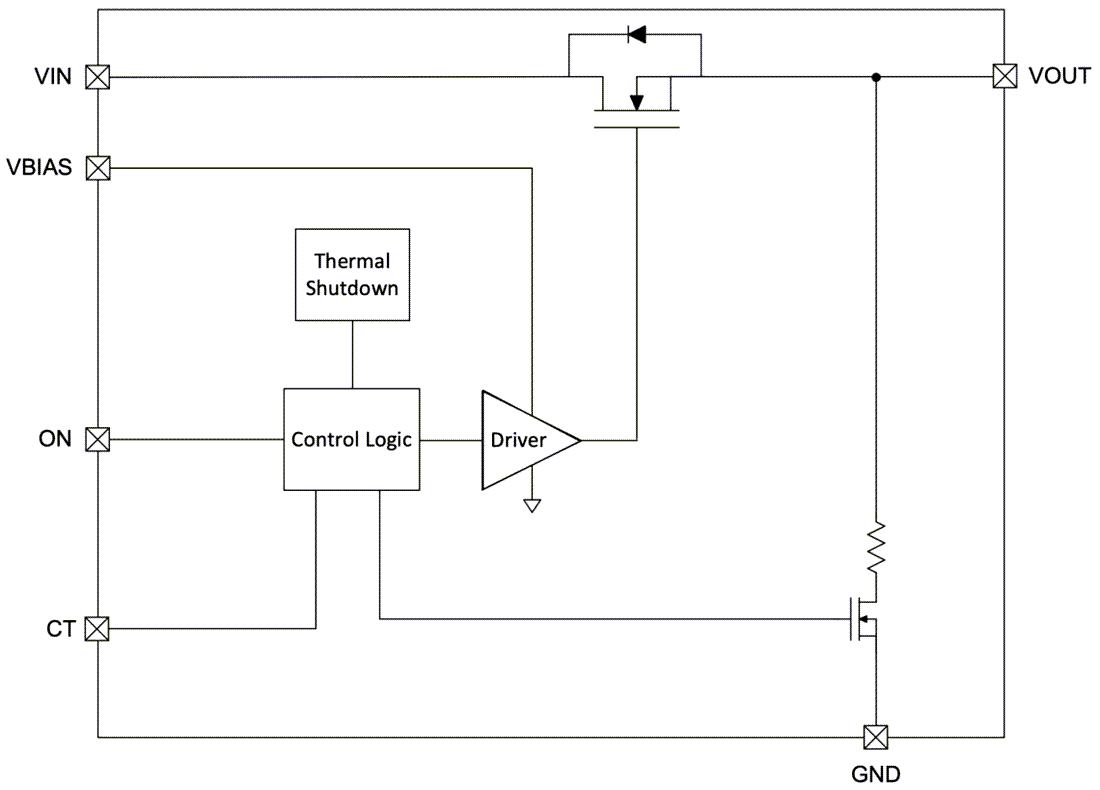
Texas Instruments TPS22998 Single-Channel Load Switch provides a configurable rise time to minimize inrush current. The device contains an N-channel MOSFET that can operate over an input voltage range of 0.2V to 5.5V and supports a maximum continuous current of 10A.The switch is controlled by an on and off input (ON), which can interface directly with low voltage control signals (VIH = 0.9V). The TPS22998 has a fixed quick output discharge when the switch is turned off, pulling the output down to ground.
The Texas Instruments TPS22998 is available in a 1.5mm × 2.0mm, 0.5mm pitch, 10-pin WQFN package (RYZ) and is characterized for operation over the free-air temperature range of –40°C to +105°C.
Features
- 0.2V to 5.5V input operating voltage range (VIN)
- 2.2V to 5.5V bias voltage range
- 10A maximum continuous current
- 4mΩ (typ.) on-resistance (RON)
- Adjustable slew rate with tri-state pin
- 50Ω Quick Output Discharge (QOD)
- Thermal shutdown
- Low power consumption
- 15µA (typ.) ON state (IQ)
- 3µA (typ.) OFF state (ISD)
Applications
- Solid-state drive
- PC and notebooks
- Industrial PC
- Optical module
Functional Block Diagram
Inilathala: 2022-03-22
| Na-update: 2022-05-20
